Запчасти Bobcat 600s CAB OPTIONS (Deluxe) ACCESSORIES & OPTIONS

Схема запчастей Bobcat 600s - CAB OPTIONS (Deluxe) ACCESSORIES & OPTIONS
FIT
1:1
100%

Артикул

Название

Примечание

Количество

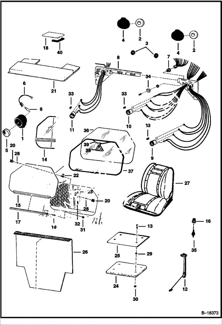
1

898731

1156 BULB

2

6557486

LAMP

3

6557493

GROMMET

4

6558142

HOUSING

5

6563740

LAMP

6

6564907

SOCKET ASSY

7

6512808

SWITCH

8

6568211

PANEL instrument - See Note

9

6631649

GAUGE See BTI259 eng. temp. - Also Order Ref.35 & 36

9

GAUGE See BTI259 NLA - eng temp - W/clamp - Order 6669663 gauge & 6679027 clamp - Was 6658817 - A

9

6669663

GAUGE See BTI259 eng temp - W/O clamp

10

FUEL GUAGE NLA - W/clamp - Order 6669665 gauge & 6679027 clamp - Was 6658820 - A

10

6669665

FUEL GUAGE W/O clamp

11

VOLTMETER NLA - W/clamp - Order 6669664 voltmeter & 6679027 clamp - Was 6658819 - A

11

6669664

VOLTMETER W/O clamp

12

6568175

SENDER, FUEL fuel level

13

35C516

BOLT 10

14

EXTRUSION

15

6630925

WINDOW

16

6564767

ADAPTER

17

6630926

HINGE mtg.

18

6701986

WINDOW top cab - Use W/O Ref. 40 - A

18

6705735

WINDOW top cab - Use W/cab headliner

19

6576513

BOLT tee - Was 6630927 - A

20

6571529

KNOB window

21

6565373

INSULATION top cab

22

6571532

BRACKET

23

6571533

MOUNT window latch

24

6577273

INSULATION seat pan - Was 6567902 - A

25

6577439

INSULATION seat pan - Was 6567903 - A

26

6576494

INSULATION cab back - Was 6568179 - A

27

6647432

SEAT See Illustration SUSPENSION SEAT/ B5562 SUSPENSION - WAS 6632388 - A

28

58K109

O RING 10

29

61D5

NUT

30

83D5

NUT 5

31

59D4

NUT 5

32

84G3112

BOLT 5

33

6599696

SOCKET & BULB assy.

33

895771

#161 BULB

34

6599781

KNOB light switch

35

SENDER See BTI259 NLA - eng. temp. - Was 6599492 - A

35

6658818

SENDER See BTI259 eng temp - threaded connector

36

6704891

WINDOW Was 6703021 - A

37

6658352

MOULDING bulk - sold per foot

38

6731478

EXIT TAG exit - Was 6559515 - A

39

6554149

CORD, BULK/FT bulk - sold per foot - Also Order Ref. 38 (6731478 exit tag) - Was 6554223

40

6664351

SEAL Use W/cab headliner

40

6665012

SEAL Use W/O cab headliner

Выбрано товаров: 48