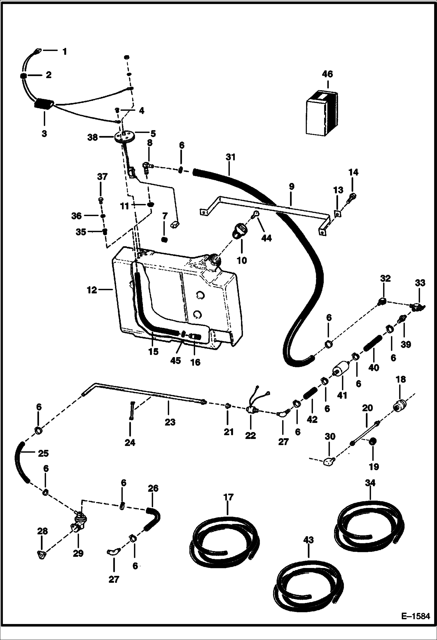
Запчасти Bobcat 600s FUEL SYSTEM (S/N 13582 & Above) MAIN FRAME

Схема запчастей Bobcat 600s - FUEL SYSTEM (S/N 13582 & Above) MAIN FRAME
FIT
1:1
100%

Артикул

Название

Примечание

Количество

1

6560117

WIRE

2

742876

GROMMET

3

6562606

SEAL

4

SCREW NLA - Was 84G001010B - A

5

6562552

SENDER

5

6568175

SENDER, FUEL

6

42HS04

CLAMP, HOSE Was 6515575 - A

7

CAP NLA - Was 6562550 - A

8

6598908

ELBOW Was 6681462 - A

9

6562559

BAND

10

6632468

CAP Was 6555717 - A

10

CAP NLA - locking - W/Ref. 44 - Code GC020 - Was 6630604 - A

10

6662770

CAP locking - W/Ref. 44 - Code PK510

11

6553411

BUSHING 0.38'' ID

12

6567909

TANK

13

6559447

WASHER square

14

84G3720

BOLT

15

HOSE NLA - 21'' (533,4 mm) - Order Ref. 43 - Was 6564193 - A

16

6650239

SCREEN, FUEL PICKUP Was 6598911 - A

17

6577821

HOSE bulk - sold per foot - Was 672221 - A

18

6512106

ELEMENT

19

6515603

GROMMET

20

TUBE NLA - Was 6563723 - A

21

CONNECTOR NLA - Was 59F000004B - A

22

7024822

SOLENOID, FUEL Was 6559117

23

6563724

TUBE

24

CLIP NLA - Was 6513498 - A

25

HOSE NLA - 5-3/4'' (146 mm) - Order Ref. 34

26

HOSE NLA - 5-1/2'' (139,7 mm) - Order Ref. 17

27

6515156

CONNECTOR To Carburetor

28

6512519

GASKET spacer

28

6660165

GASKET spacer

29

6512518

PUMP, FUEL

30

62F4

ELBOW

31

HOSE NLA - 35'' (889 mm) - Order Ref. 34

32

6598753

ELBOW

33

6632593

VALVE shut-off - Was 6512138 - A

34

6577822

HOSE bulk - Sold Per Foot - Was 6562515 - A

35

1308362

WELL NUT

36

25E13

WASHER 5

37

17C414

BOLT

38

6630972

GASKET

39

6505813

CONNECTOR Use W/Barbless Fuel Valve

40

HOSE NLA - 5'' (127 mm) - Order Ref. 17

41

6511393

FILTER

42

HOSE NLA - 3-1/2'' (88,9 mm) - Order Ref. 17

43

6569752

HOSE BULK/FT bulk - sold per foot

44

6654374

KEY Code GC020

44

6587458

KEY Code PK510

45

6661213

RING, COMPRESSION

Выбрано товаров: 50