Запчасти Bobcat 600s ENGINE & ATTACHING PARTS POWER UNIT

Схема запчастей Bobcat 600s - ENGINE & ATTACHING PARTS POWER UNIT
FIT
1:1
100%

Артикул

Название

Примечание

Количество

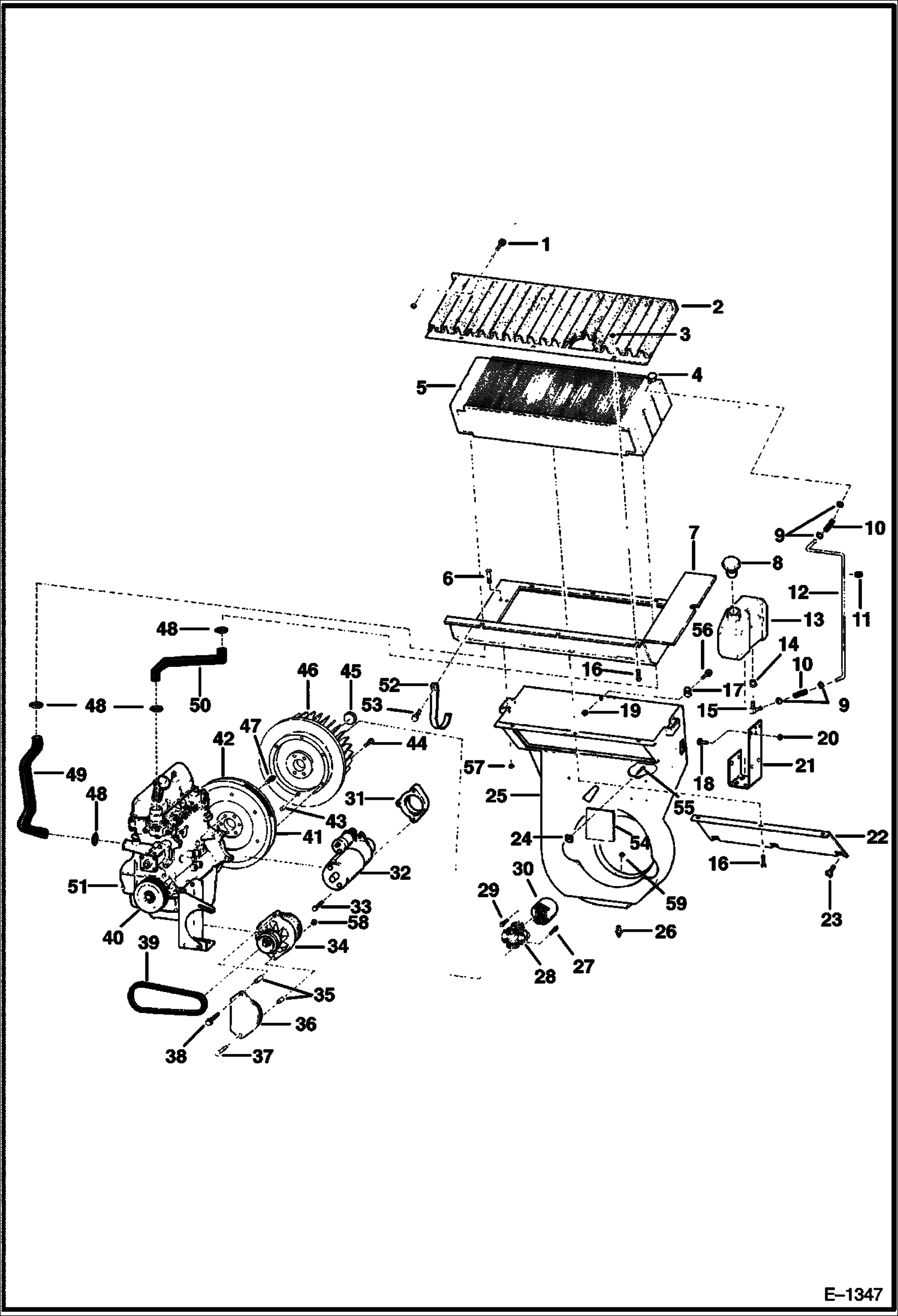
1

84G3712

BOLT 5

2

6567868

GRILL

3

84G3716

SCREW 5

4

6666606

RADIATOR CAP Was 6630156 - A

5

6571713

EXCHANGER, WATER RADIATOR Was 6630246 - A

6

6514571

BOLT

7

6578176

MOUNT radiator - Was 6562851 - A

8

6702797

CAP Was 6558658 - A

9

42HS04

CLAMP, HOSE Was 6515575 - A

10

HOSE NLA - 1.75'' (44,4 mm) long - Was 6562597 - A

10

6577822

HOSE bulk - sold per foot

11

6519484

GROMMET

12

6565575

TUBE

12

6562598

TUBE

13

TANK NLA - Without Barbed Fitting - Order 6576660 - Was 6562509 - A

13

6576660

TANK, WATER COOLANT W/bottom molded barbed elbow

14

6553411

BUSHING Not Used With 6576660 Tank

15

6553412

ELBOW Not Used With 6576660 Tank

16

21C508

BOLT

17

774220

NUT spring

18

17C612

BOLT 5

18

10C512

BOLT carriage - Was 6553808 - A

19

83D5

NUT 5

20

57D5

NUT

21

6709415

MOUNT Was 6571814 - A

21

6562599

MOUNT

22

6563590

COVER

23

35C512

BOLT

24

6555294

CLIP

25

6564047

HOUSING blower

26

RIVET NLA - Order 35C620 & 59D6 - Was 1316539B - A

26

35C620

BOLT 5

27

94G516

BOLT 5

28

U-JOINT See Illustration UNIVERSAL JOINT/ B18348

29

94G512

BOLTS 5

30

6562960

YOKE, POWER TRANSFER See Illustration UNIVERSAL JOINT/ B18348

31

6562480

SPACER

32

STARTER See Illustration STARTER/ B17654 See Illustration STARTER/ B1192

33

17C632

BOLT 5

34

ALTERNATOR See Illustration ALTERNATOR/ B18456 See Illustration ALTERNATOR/ C1802

35

6563043

BUSHING

36

6563037

SHIELD

37

17C672

BOLT

38

29CM860

BOLT Delco Alternator

39

6557143

BELT alternator

40

6558802

PULLEY

41

6562279

RING GEAR

42

FLYWHEEL See BTI214 NLA - W/Ref. 41 - Was 6565463 - A

42

FLYWHEEL See BTI214 NLA

43

214165

DOWEL

44

17C528

BOLT

45

6558410

PLUG

46

6562659

BLOWER WHEEL See BTI214 blower - Dowel pin alignment

46

6565466

BLOWER See BTI214 blower - Counterbore

47

94G620

SCREW

48

42H32

HS CLAMP5 hose

49

6562987

HOSE radiator

50

6562986

HOSE radiator

51

ENGINE See Illustration ENGINE/ B18474 FORD I4-98

52

6562431

BRACKET hose retainer

53

35C610

BOLT 5

54

INSULATION Was 6564595 - A

55

6555293

NAIL

56

37C516

BOLT Was 6565089 - A

57

57D6

NUT 5

58

83D6

NUT 5

59

59D6

NUT

Выбрано товаров: 0