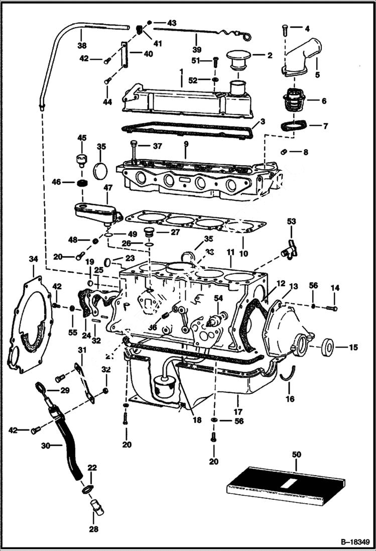
Запчасти Bobcat 600s CYLINDER BLOCK (Ford Engine) POWER UNIT

Схема запчастей Bobcat 600s - CYLINDER BLOCK (Ford Engine) POWER UNIT
FIT
1:1
100%

Артикул

Название

Примечание

Количество

1

6512476

COVER Rocker arm

2

6512494

CAP Rocker arm cover

3

6512477

GASKET Rocker arm cover

4

6554744

BOLT

5

OUTLET NLA - Was 6599699 - A

6

6512504

THERMOSTAT 195 degrees

7

6512505

GASKET

8

40K2

PLUG

9

HEAD See Illustration VALVE TRAIN/ B18350 NLA - ORDER 6630426 HEAD & 8 OF 6512474 SEAL

9

HEAD NLA - W/Valve Seats, Valve Guides & Soft Plug - Was 6630426 - A

10

6512401

GASKET head

11

SHORT BLOCK See Illustration ENGINE/ B18474

12

6512399

GASKET

13

6512398

COVER front

14

17C412

BOLT 5

15

6648209

SEAL Was 6512489 - A

16

SEAL NSS

17

PAN NLA - oil - Was 6512488 - A

18

6512482

TUBE oil pick up

19

6648189

PLUG Was 6512917 - A

20

17C408

BOLT

21

6669570

GASKET SET oil pan - W/Ref. 16 - Was 6512495 - A

22

42H6

HOSECLAM5

23

6598806

PLUG

24

6512450

RETAINER

25

GASKET NLA - Was 6512451 - A

26

25K20026

O RING 10

27

6554834

PLUG

28

TUBE NLA - oil - Order Ref. 38 - 43

29

DIPSTICK NLA - Order Ref. 38 - 43

30

HOSE NLA - Order Ref. 38 - 43

31

6555112

BRACKET

32

6512921

DOWEL

33

6669569

LINER Std. - Was 6657209 - A

33

LINER NLA - .020 O.D. & Std. I.D.- Was 6598907 - A

34

PLATE NLA - Was 6512521 - A

35

6512915

PLUG

36

16F2

PLUG Was 6512916 - A

37

6512918

BOLT head - Pkg. of 8

37

6512919

BOLT head - Pkg. of 2

38

TUBE NLA - Order 6564910, 6564911, & Ref. 40-43

38

6564911

TUBE

39

6564490

DIPSTICK

39

6564910

DIPSTICK

40

6564912

BRACKET

41

30H22

CLIP

42

17C514

BOLT

43

61D5

NUT

44

35C512

BOLT Was 31C000512B - A

45

6599445

BREATHER

46

999873

SEAL

47

6599607

SEPARATOR oil

48

25E13

WASHER 5

49

58K016

O-RING 10

50

6567250

GASKET KIT Overhaul

50

GASKET KIT NLA - Valve Grind - Was 6564162 - A

51

89G410

SCREW

52

25E13

WASHER 5

53

6513679

VALVE

54

6631010

SWITCH, PRESS OIL ENG Engine Oil Pressure

55

4E5

WASHER

56

4E4

WASHER

Выбрано товаров: 62