Запчасти Bobcat 600s HYDROSTATIC MOTOR (Motor Model 109-1052-005 & Below) HYDROSTATIC SYSTEM

Схема запчастей Bobcat 600s - HYDROSTATIC MOTOR (Motor Model 109-1052-005 & Below) HYDROSTATIC SYSTEM
FIT
1:1
100%

Артикул

Название

Примечание

Количество

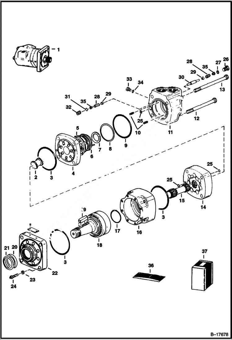
1

MOTOR NLA - new - Order 6599718

1

MOTOR NLA - remanufactured - Order 6630245

2

6513506

DRIVE

3

SEAL NSS

4

6513505

PLATE valve

5

6513507

VALVE

6

6630042

PLATE balancing

7

SEAL NSS - inner

8

SEAL NSS - outer

9

SEAL NSS

10

6190121

SPRING

11

6599605

HOUSING valve

12

18C788

BOLT

13

18C792

BOLT

14

6513504

GEROLER

15

SHAFT NLA - Order Ref. 38 - Was 6630390 - A

16

6513501

HOUSING bearing

17

SEAL NSS

18

SHAFT NSS - drive - Order Ref. 38 - Was 6598374 - A

19

6630089

KEY

20

RING NSS - quad

21

WASHER NSS

22

COVER NSS - front - Order Ref. 38 - Was 6513502 - A

23

6517947

WASHER

24

94G516

BOLT 5

25

O-RING NSS

26

47K5

PLUG W/Ref. 27

27

79K6

O RING 10

28

6513533

SPRING

29

6513532

POPPET

30

6513510

PISTON

31

58K012

O-RING 10

32

PLUG NLA - Was 6513534 - A

33

47K2

PLUG W/Ref. 34

34

79K3

O RING 10

35

6561218

SHUTTLE

36

6598463

SEAL KIT Ref. 3, 7 - 9, 17, 20, 21 & 25

37

6648759

REPAIR KIT Ref. 15, 18, 22 & 37 to convert 004 & 005 to 006

Выбрано товаров: 38