Запчасти Bobcat 600s ENGINE & ATTACHING PARTS POWER UNIT

Схема запчастей Bobcat 600s - ENGINE & ATTACHING PARTS POWER UNIT
FIT
1:1
100%

Артикул

Название

Примечание

Количество

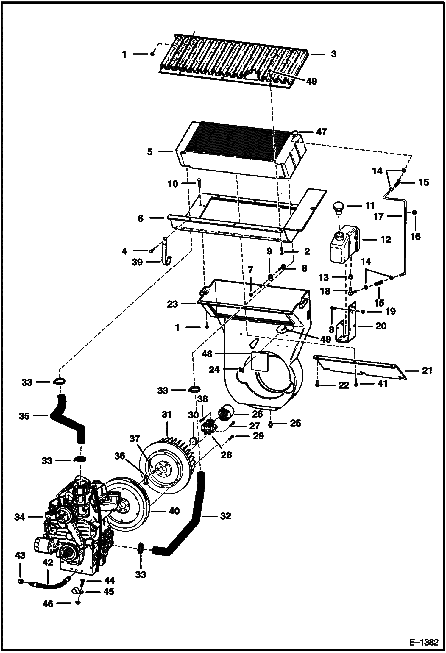
1

57D6

NUT 5

2

84G3716

SCREW 5

3

6567868

GRILL

4

84G3710

SCREW

5

6571713

EXCHANGER, WATER RADIATOR Was 6630246 - A

6

6578176

MOUNT Was 6562851 - A

7

83D5

NUT 5

8

10C512

BOLT Was 6553808 - A

8

37C516

BOLT Was 6565089 - A

9

774220

NUT

10

6514571

BOLT

11

6702797

CAP Was 6558658 - A

12

TANK NLA - Without barbed fitting Order 6576660

12

6576660

TANK, WATER COOLANT W/bottom molded barbed elbow

13

6553411

BUSHING Not Use W/6576660 Tank

14

42HS04

CLAMP, HOSE Was 6515575 - A

15

HOSE NLA - 1.75'' (44,4 mm) long - Was 6562597 - A

15

6577822

HOSE bulk - sold per foot

16

6519484

GROMMET

17

6562598

TUBE

17

6565575

TUBE

18

6553412

ELBOW Not Use W/6576660 Tank

19

57D5

NUT

19

61D6

NUT 5

20

6562599

MOUNT

20

6709415

MOUNT Was 6571814 - A

21

6563590

COVER

22

6565418

SCREW wing Was 35C000512B - B

23

6564047

HOUSING blower

23

6575657

HOUSING blower

24

6555294

CLIP

25

RIVET NLA - Order 35C620 & 59D6 - Was 1316539B - A

26

6562960

YOKE, POWER TRANSFER See Illustration UNIVERSAL JOINT/ B18348

27

94G514

BOLT

28

6598347

U-JOINT See Illustration UNIVERSAL JOINT/ B18348

29

17C528

BOLT

30

6558410

PLUG

31

6562659

BLOWER WHEEL See BTI214 For Dowel Pin

31

6565466

BLOWER See BTI214 For Counterbore

32

6563116

HOSE

33

42H32

HS CLAMP5

34

ENGINE See Illustration ENGINE/ B18477 KUBOTA D1402

35

6562284

HOSE, WATER FORMED

36

3974586

WASHER lock tab

37

6652527

BOLT Use W/Ref. 36 - Was 6598479 - A

37

6652527

BOLT Use Without Lock Tabs

38

94G512

BOLTS 5

39

6562431

BRACKET

40

FLYWHEEL See BTI214 NLA - W/Ring Gear

40

6565460

FLYWHEEL W/Ring Gear

40

6510470

RING GEAR

41

21C508

BOLT

42

6563445

HOSE

43

36K6

CAP

44

17C816

BOLT

45

42H6

HOSECLAM5

46

57D8

NUT 10

47

6666606

RADIATOR CAP Was 6630156 - A

48

INSULATION Was 6564595 - A

49

6555293

NAIL

Выбрано товаров: 60