Качественные детали и логистика
Оригинальные и аналоговые запчасти с доставкой по России, Казахстану и Беларуси
©2022 PartSell ООО "Система" ИНН 2463123282 ОГРН 1212400004838
Центральный офис: г. Красноярск, Академика Киренского, д.87, пом.4
Телефон: 8 (800) 777-65-74 Email: zakaz@partsell.ru
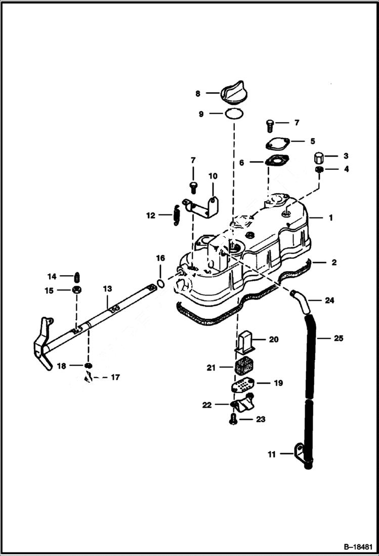
ROCKER ARM COVER
№
Артикул
Название
Примечание
Количество
1
6598708
COVER
3975372
2
6598709
GASKET In 6630552 Gasket Kit
3
3974923
NUT
4
3974095
MET-GASK In 6630552 Gasket Kit
5
3974536
6
6666784
GASKET Was 3974537B - A
7
1CM614
SCREW Was 4CM614 - A
8
6685924
CAP oil filler - Was 6652653 - A
9
3966602
O RING oil fill plug
10
6598113
HOLDER
11
3974931
CLAMP pipe
12
3974191
SPRING
13
6598715
SHAFT
14
6598114
BOLT
15
6598115
16
6598097
O-RING
17
3974662
BOLT Was 3974192 - A
18
6EM60
WASHER, SPRING
19
3974924
PLATE
20
3974925
21
3974926
BREATHER
22
3974927
SHIELD oil
23
3975436
SCREW W/washer - Was 6598167 - A
24
6652624
JOINT Was 3974929B - A
25
3974930
PIPE
Выбрано товаров: 0