Запчасти Bobcat 600s CYLINDER HEAD POWER UNIT

Схема запчастей Bobcat 600s - CYLINDER HEAD POWER UNIT
FIT
1:1
100%

Артикул

Название

Примечание

Количество

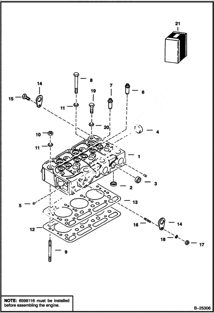
1

HEAD NLA - W/Ref. 2-7 See Note & Serviceletter - Order 6660965 - Was 6653800 - A

1

CYLINDER HEAD NLA - remanufactured - W/Ref. 2-7, Valves, Valve Springs & Exhaust Manifold Studs - Order 6660965

1

6660965

HEAD ASSY See Illustration ROCKER ARM & VALVES/ B25305 W/Ref. 2-8, 16, 19, 20 - Ref. 1-7 & 12

1

6660965REM

HEAD, KUBOTA, D1402

2

6630369

CHAMBER combustion

3

3974432

PLUG

4

3974433

PLUG

5

6598116

PLUG

6

6655154

GUIDE valve Intake - Was 3974434B - A

7

6969990

GUIDE exhaust valve - Was 6653803 - A

8

BOLT NLA - Use 3975364B - Was 3974435B - A

8

6653804

BOLT Flanged Head - Was 3975364B - A

9

3975366

STUD Was 3974436B - A

9

3975366

STUD

10

2DM10

NUT

10

3975365

NUT

11

3974438

WASHER

12

6666808

GASKET In 6630552 Gasket Kit - Was 6646702 - A

13

6598707

SHIM 0.0078

14

3974882

HOOK

15

1CM816

BOLT Was 4CM816 - A

16

6598156

STUD

17

1DM8

NUT Was 25DM00008B - A

18

6EM80

WASHER, SPRING

19

3974884

PLUG

20

3974885

WASHER

21

GASKET KIT See Illustration ENGINE/ B18477 DOES NOT INCLUDE SHIM

Выбрано товаров: 27