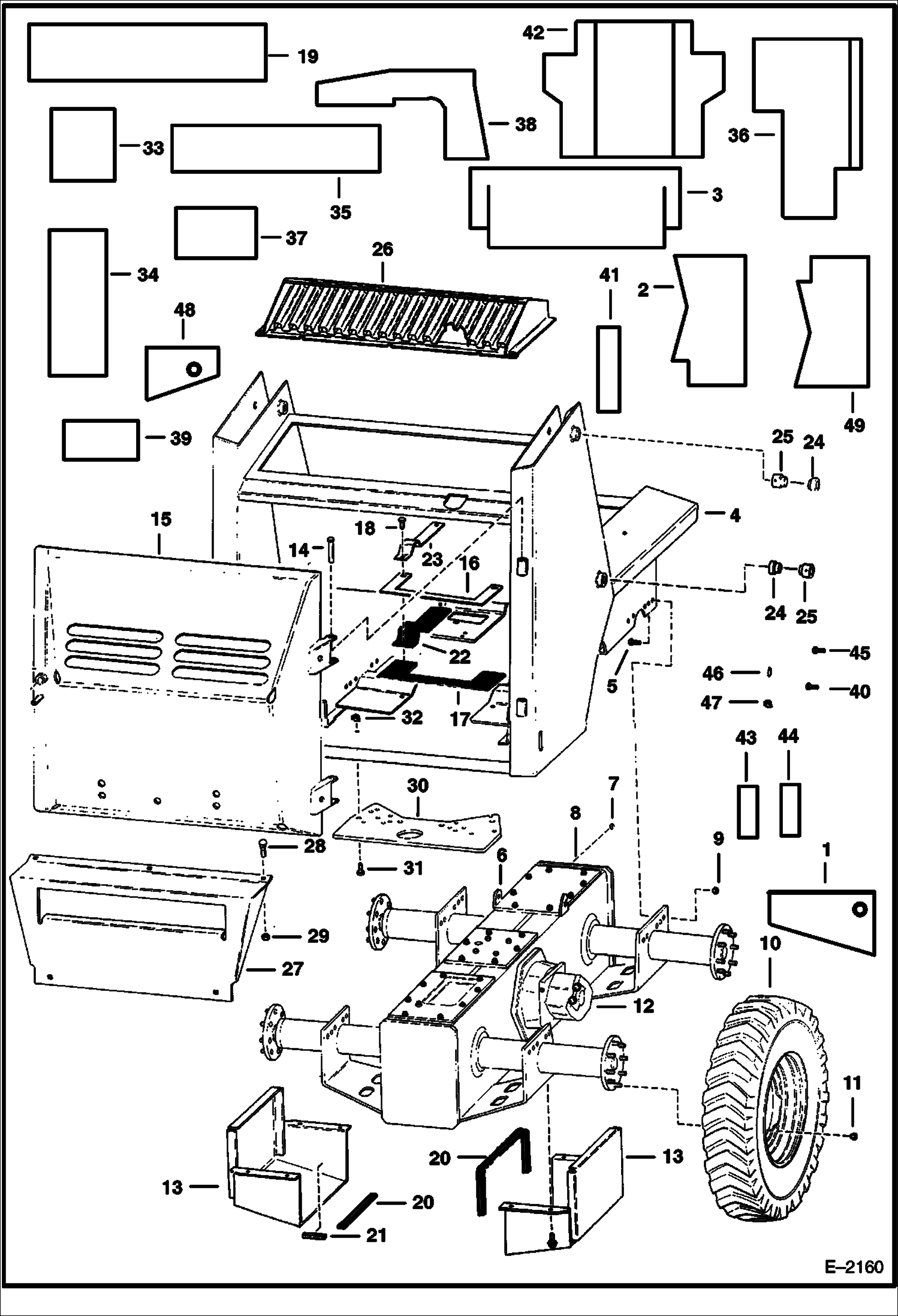
Запчасти Bobcat 600s MAIN FRAME MAIN FRAME

Схема запчастей Bobcat 600s - MAIN FRAME MAIN FRAME
FIT
1:1
100%

Артикул

Название

Примечание

Количество

1

6700692

INSULATION

2

6579979

INSULATION In front of control pedals

3

6579422

INSULATION Front main frame

4

6568205

MAIN FRAME

4

6562224

BUSHING rear door

5

31C820

BOLT

6

COVER See Illustration DISC BRAKE/ D2188

7

40K12

PLUG

8

CHAINCASE See Illustration DRIVE TRAIN/ B18560

9

83D8

NUT 5

10

TIRE & RIMS See Illustration TIRES & RIMS/ B18633

11

6564669

NUT, 10 wheel

12

MOTOR See Illustration HYDROSTATIC MOTOR/ D1928 hyrdo.

13

6703708

COVER

14

6564340

PIN

15

REAR DOOR See Illustration REAR DOOR/ B13835

16

6565092

RETAINER

17

6563638

SEAL rubber

18

84G3710

SCREW

19

6579750

INSULATION attaches inside Ref. 27

20

6513152

SEAL bulk - sold per foot

21

SEAL NLA - bulk - Sold Per Foot - Was 6555026 - A

22

6564936

SEAL

23

6704692

RETAINER

24

6555989

BUSHING Weld On

25

6555987

BUSHING weld on

26

6579624

SHIELD

27

6579562

SHIELD

28

10C616

BOLT 10

29

81D6

NUT

30

6563613

HITCH

31

17C628

BOLT

32

61D6

NUT 5

33

6579982

INSULATION Rear main frame engine area

34

6579985

INSULATION Rear main frame engine area

35

6579981

INSULATION Rear main frame engine area

36

6579984

INSULATION Rear main frame engine area

37

6579980

INSULATION Rear main frame engine area

38

6579986

INSULATION inside fender under seat pan

39

6579418

INSULATION Front main frame

40

84G3716

SCREW 5 Rear main frame over lift cyl.

41

6565134

COVER Rear main frame over lift cyl.

42

6579495

INSULATION on top of chaincase

43

6565141

COVER Rear main frame chain hole

44

6567664

COVER Rear main frame chain hole

45

17C620

BOLT Rear main frame chain hole

46

25E17

WASHER 5 Rear main frame chain hole

47

85D6

NUT, 5 Rear main frame chain hole

48

6579423

INSULATION Front main frame under step

49

6700691

INSULATION In front of control pedals

Выбрано товаров: 50