Запчасти Bobcat 600s OPERATOR CAB MAIN FRAME

Схема запчастей Bobcat 600s - OPERATOR CAB MAIN FRAME
FIT
1:1
100%

Артикул

Название

Примечание

Количество

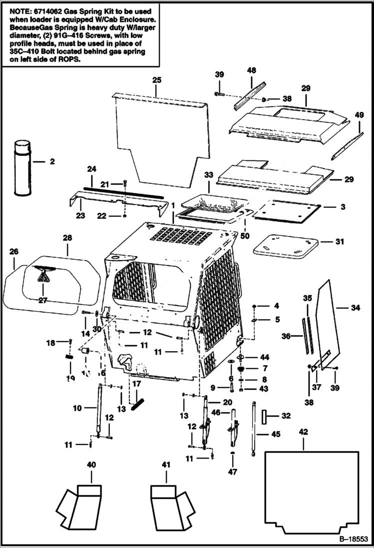
1

6569249

OPERATOR CAB See BTI245 Includes Decals

2

6632469

ADHESIVE insulation - 24 oz. spray can

3

6577273

INSULATION under seat pan

4

59D8

NUT 5

5

6553709

WASHER

6

6543321

WASHER flat round

7

6560633

DAMPENER

8

6515817

WASHER

9

17C840

BOLT hex cap screw - grade 8

10

6700171

GAS SPRING w/o lock - also order 6675257, clevis - Was 6706590 - A

10

6714062

KIT W/O lock - heavy duty gas spring - SEE NOTE

10

91G416

SCREW SEE NOTE

10

6900531

INSTRUCTIONS for Kit 6714062

11

6631418

RING, RETAINING

12

6567743

PIN

13

6567604

SPACER

14

17C1056

BOLT

15

6562602

BUSHING rubber

16

53D10

NUT Was 83D000010B - B

17

6555351

SEAL bulk - sold per foot

18

84G2516

BOLT

19

6568475

STOP

20

GAS SPRING NLA - with lock - Order Ref. 45-47

21

35C616

BOLT 5

22

83D6

NUT 5

23

6563611

VISOR

24

6512686

MOULDING bulk - Sold Per Foot

25

6576494

INSULATION

26

6658352

MOULDING bulk - sold per foot

26

6554149

CORD, BULK/FT bulk - sold per foot - Also Order Ref. 27 (6731478 exit tag)

27

6731478

EXIT TAG Was 6559515 - A

28

6704891

WINDOW

29

6565373

INSULATION Inside top of cab

29

6706553

INSULATION Inside top of cab

30

6700170

WASHER Was 6563152 - A

31

6577439

INSULATION under seat

32

6578368

DECAL, OPERATION push to release stop

33

6701986

WINDOW top - square

33

6705735

WINDOW top - oval

34

6702731

WINDOW, CAB side

35

6631548

LOOP loop

36

6631549

HOOK hook

37

6700875

RETAINER

38

83D4

NUT 10

39

35C410

BOLT 5

40

6579488

INSULATION Inside cab

41

6579487

INSULATION Inside cab

42

6579749

INSULATION Back of cab

43

85D8

NUT, 5 hex locknut

44

6702971

BOLT bolt assy dog washer

45

6664205

GAS SPRING also order 6675257, clevis

45

6675257

CLEVIS

46

6708189

TUBE stop

47

6701174

WASHER

48

6703160

TRACK LH

49

6703159

TRACK RH

50

6664351

SEAL Use W/cab headliner & Ref. 33 (6705735 window)

50

6665012

SEAL Use W/O cab headliner & Ref. 33 (6705735 window)

Выбрано товаров: 58