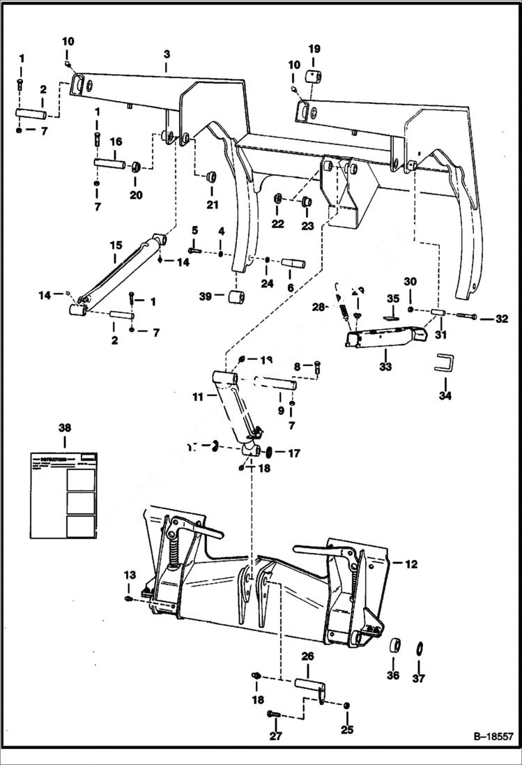
Запчасти Bobcat 600s LIFT ARMS & BOBTACH MAIN FRAME

Схема запчастей Bobcat 600s - LIFT ARMS & BOBTACH MAIN FRAME
FIT
1:1
100%

Артикул

Название

Примечание

Количество

1

17C640

BOLT 5

2

6547595

PIN

3

6703953

LIFT ARM

4

6555455

WASHER

5

17C1020

BOLT 5 1.25'' (31,8 mm) long

5

31C1064

BOLT 4'' (101,6 mm) - Was 17C001064B - B

6

PIN NLA - Order 6707521 Pin Kit - Was 6700301 - A

6

6707521

PIN KIT W/ 6732012 Pin, 31C001064B Bolt & Ref. 38

6

6732012

PIN, PIVOT Was 6707042 - A

7

85D6

NUT, 5

8

17C632

BOLT 5

9

6704288

PIN, PIVOT Was 6553061 - A

10

10H35

FITTING, GREASE 10 1/4-28

10

10H25

FITTING, GREASE 5 1/8-27

11

CYLINDER See Illustration TILT CYLINDER/ B18565 TILT

12

BOB-TACH

13

743332

FITTING, GREASE 5

14

11H15

GREASE FITTING

15

CYLINDER See Illustration LIFT CYLINDER/ B6942 LIFT

16

6547593

PIN, PIVOT

17

6654117

SEAL, OIL 51 mm (2'') OD

17

225855

SEAL, OIL 10 38 mm (1.5'') OD

18

10H25

FITTING, GREASE 5

19

6578356

BUSHING Weld On

20

6555987

BUSHING weld on

21

6555989

BUSHING Weld On

22

6703363

BUSHING weld on

23

BUSHING NLA - Weld On - Order 6704287 & 6704288 - Was 6703364 - A

23

6737623

BUSHING weld on - Was 6704287 - A

24

27E18

WASHER 5 See BTI178

25

85D6

NUT, 5

26

6705223

PIN Was 6700037 - A

27

17C620

BOLT

28

6579072

SPRING Was 6700743 - A

29

6519178

BUMPER

30

61D6

NUT 5

31

6700469

SPACER

32

17C648

BOLT 5

33

6705089

LIFT ARM STOP

34

6714810

PIN retainer - Was 6578457 - A

35

6704436

PAD

36

6700039

CUP

37

6651709

SEAL

38

6722967

INSTRUCTIONS for 6707521 Pin Kit

39

6714874

BUSHING, WELD-ON weld-on-W/tapered hole - 1.25''(31,8 mm)

Выбрано товаров: 45