Запчасти Bobcat 600s AXLE DRIVE TRAIN

Схема запчастей Bobcat 600s - AXLE DRIVE TRAIN
FIT
1:1
100%

Артикул

Название

Примечание

Количество

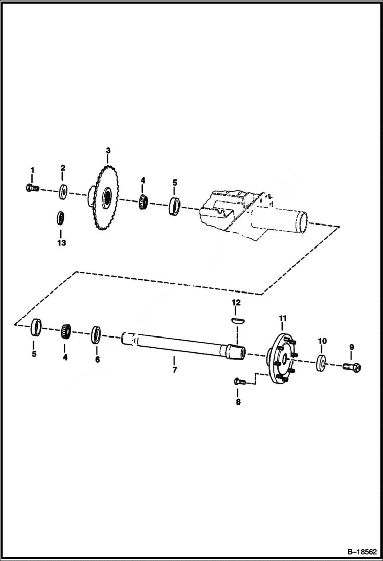
1

18C1224

BOLT

2

6552871

WASHER

3

7134137

SPROCKET Was 6577204 - A

4

6689775

BEARING, AXLE Was 6519925 - A

5

6689638

CUP, BEARING Was 6634609 - A

6

6658228

SEAL, OIL

7

6569465

AXLE

8

6709170

BOLT, WHEEL Was 6559502 - A

9

18C1632

BOLT 2'' (50,8mm) long - for Ref. 7 W/1.5'' (38,1mm) deep threads

9

18C1636

BOLT 2.25'' (57,2mm) long - for Ref. 7 W/1.65'' (41,9mm) deep threads

10

6716843

WASHER recessed - Was 6569461 - A

11

6578689

HUB

12

6J1664

KEY

13

6563606

WASHER recessed - Used to take up .005 (0,127 mm) or .010 (0,254 mm) end play on axle

Выбрано товаров: 14