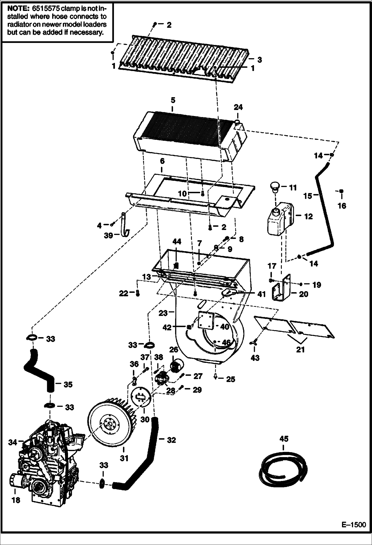
Запчасти Bobcat 600s ENGINE & ATTACHING PARTS POWER UNIT

Схема запчастей Bobcat 600s - ENGINE & ATTACHING PARTS POWER UNIT
FIT
1:1
100%

Артикул

Название

Примечание

Количество

1

57D6

NUT 5

2

84G3716

SCREW 5

3

6567868

GRILL

4

84G3710

SCREW

5

6648820

EXCHANGER, WATER RADIATOR

6

6565419

MOUNT

7

83D5

NUT 5

8

37C516

BOLT Was 6565089 - A

9

774220

NUT

10

21C510

BOLT

11

6702797

CAP

12

6576660

TANK, WATER COOLANT W/bottom molded barbed elbow

13

6567374

RETAINER

14

42HS04

CLAMP, HOSE Was 6515575 - A

15

HOSE NLA - 36'' (914 mm) - Order Ref. 45

16

6519484

GROMMET

17

17C612

BOLT 5

18

OIL FILTER See Illustration GEARCASE/ B18573

19

57D5

NUT

20

6709415

MOUNT Was 6571814 - A

21

6565196

COVER

22

35C512

BOLT

23

6564728

HOUSING, BLOWER blower

24

6666606

RADIATOR CAP Was 6630156 - A

25

RIVET NLA - Order 35C620 & 59D6 - Was 1316539B - A

26

6704606

YOKE, POWER TRANSFER See Illustration UNIVERSAL JOINT/ B5715 WAS 6562960 - A

27

94G510

BOLTS 5

28

6598347

U-JOINT See Illustration UNIVERSAL JOINT/ B5715

29

17C628

BOLT

30

6562873

ADAPTER, YOKE

31

6562270

WHEEL blower - W/Ring Gear

31

6510470

RING GEAR

32

6565598

HOSE

33

42H32

HS CLAMP5

34

ENGINE See Illustration ENGINE/ E1332 KUBOTA

35

6562284

HOSE, WATER FORMED

36

3974586

WASHER lock tab

37

6598275

BOLT Use W/Ref. 36

37

6598275

BOLT Use W/O lock tabs - Was 6652487 - A

38

94G512

BOLTS 5

39

6562431

BRACKET

40

INSULATION Was 6564595 - A

41

6555293

NAIL

42

6555294

CLIP

43

6565418

SCREW

44

6599702

NUT

45

6577822

HOSE bulk - sold per foot

46

59D6

NUT

Выбрано товаров: 48