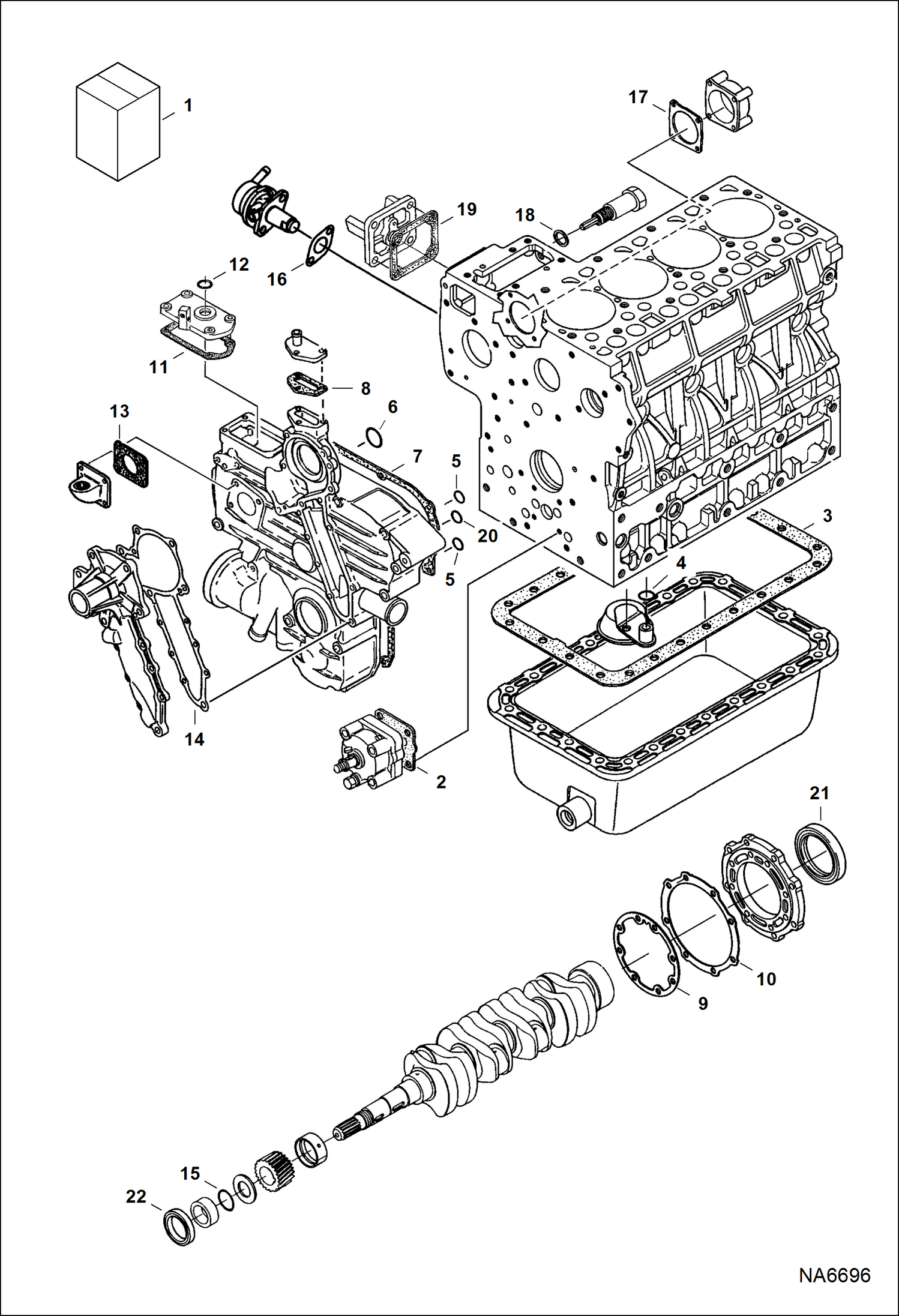
Запчасти Bobcat 600s LOWER GASKET KIT POWER UNIT

Схема запчастей Bobcat 600s - LOWER GASKET KIT POWER UNIT
FIT
1:1
100%

Артикул

Название

Примечание

Количество

1

6630555

GASKET KIT Also order Ref. 20-22 as needed

2

6666782

GASKET See Illustration CRANKCASE/ C2551 - oil pump

3

6666805

GASKET See Illustration OIL PAN/ C2550 - oil pan

4

6684754

O-RING See Illustration OIL PAN/ C2550 - oil screen

5

6685466

O-RING See Illustration GEARCASE/ B18573 - gear case

6

6685468

O-RING See Illustration GEARCASE/ B18573 - gear case

7

6655481

GASKET See Illustration GEARCASE/ B18573 - gear case - not in kit

7

6666800

GASKET See Illustration GEARCASE/ B18573 - gear case

8

6666803

GASKET See Illustration GEARCASE/ B18573 - return flange

9

3974471

GASKET See Illustration PISTON & CRANKSHAFT/ B18609 - bearing case

10

6666787

GASKET See Illustration PISTON & CRANKSHAFT/ B18609 - case cover

11

6666792

GASKET See Illustration SPEED CONTROL PLATE/ C2564 - boost cover

12

3966512

O RING See Illustration SPEED CONTROL PLATE/ C2564

13

6969801

GASKET, HOUR METER See Illustration GEARCASE/ B18573

14

6666804

GASKET See Illustration WATER PUMP/ B18612 - water pump

15

3974577

O RING See Illustration PISTON & CRANKSHAFT/ B18609 - crankshaft frt

16

6686037

GASKET See Illustration INJECTION PUMP/ B3612 - fuel pump

17

6666807

GASKET See Illustration FUEL CAMSHAFT/ C2552 - fuel camshaft cover

18

6598096

O-RING See Illustration ENGINE STOP LEVER/ C2562 - idle adj. bolt

19

6666783

GASKET See Illustration ENGINE STOP LEVER/ C2562 - stop lever cover

20

6685466

O-RING See Illustration GEARCASE/ B18573

20

6655162

O-RING See Illustration GEARCASE/ B18573 - gear case - not in kit

21

3974477

SEAL See Illustration PISTON & CRANKSHAFT/ B18609 - oil rear main - not in kit

22

7024826

SEAL, OIL See Illustration PISTON & CRANKSHAFT/ B18609 - oil frt main - not in kit

Выбрано товаров: 24