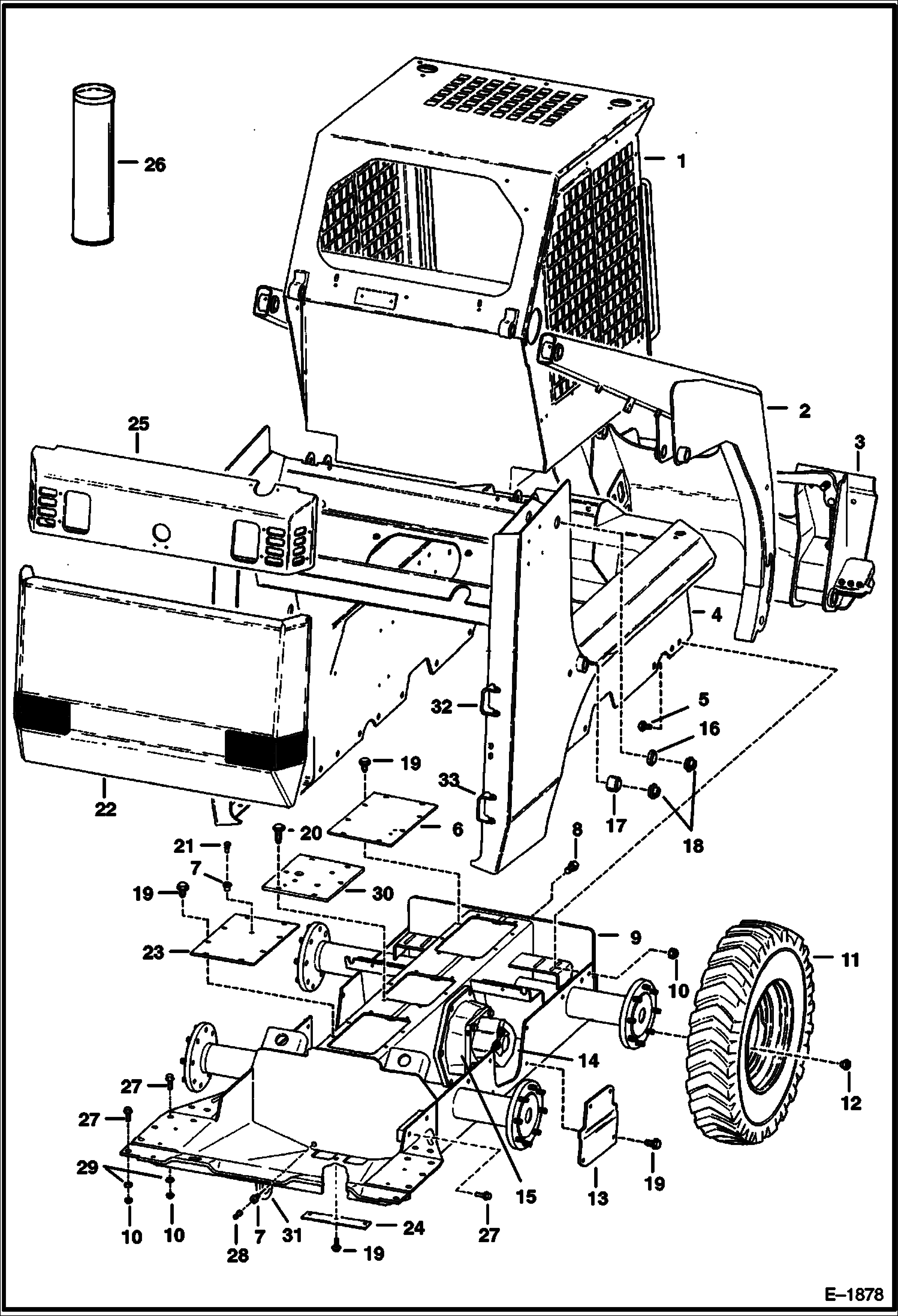
Запчасти Bobcat 600s MAIN FRAME MAIN FRAME

Схема запчастей Bobcat 600s - MAIN FRAME MAIN FRAME
FIT
1:1
100%

Артикул

Название

Примечание

Количество

1

OPERATOR CAB See Illustration OPERATOR CAB/ MS2031

2

LIFT ARM See Illustration LIFT ARM & BOB-TACH/ B17192

3

BOB-TACH

4

MAIN FRAME See BTI318 NLA - - Order 6714590 Main Frame & Other Parts - Was 6712511 - A

5

31C820

BOLT

6

6578505

COVER See Illustration DISC BRAKE/ TS1455

7

6553411

BUSHING

8

6731121

PLUG Chaincase Fill - Was 11F-12 - A

9

CHAINCASE See Illustration DRIVE TRAIN/ B17194 See BTI359 NLA - Was 6712827 - A

10

83D8

NUT 5

11

TIRE & RIMS See Illustration TIRES & RIMS/ B17261

12

6564669

NUT, 10 wheel

13

6733701

COVER Was 6704695 - A

14

MOTOR See Illustration HYDROSTATIC MOTOR/ D1928 HYDRO.

15

MOUNT ASSY. See Illustration MOTOR CARRIER/ MC1936 DRIVE MOTOR

16

6702583

BUSHING, WELD-ON

17

6555987

BUSHING weld on

18

6702584

BUSHING, WELD-ON weld on

19

84G3712

BOLT 5

20

BOLT See Illustration DISC BRAKE/ TS1455

21

6680970

BREATHER See Illustration DISC BRAKE/ TS1455 Was 6670627 - A

22

REAR DOOR See Illustration REAR DOOR/ TS1015

23

6700330

COVER

24

6700182

COVER, DRAIN

25

HOOD See Illustration REAR DOOR/ TS1015

26

6633583

SEALANT, POLYURETHANE 300 ML chaincase cover

27

31C824

BOLT 10

28

6599645

PLUG, STEEL chaincase drain

29

6701097

WASHER

30

6706042

COVER See Illustration DISC BRAKE/ TS1455

31

6706485

HOOK tie down - weld-on

32

6577394

BRACKET hinge - weld on

33

6708987

HINGE, WELD-ON

Выбрано товаров: 33