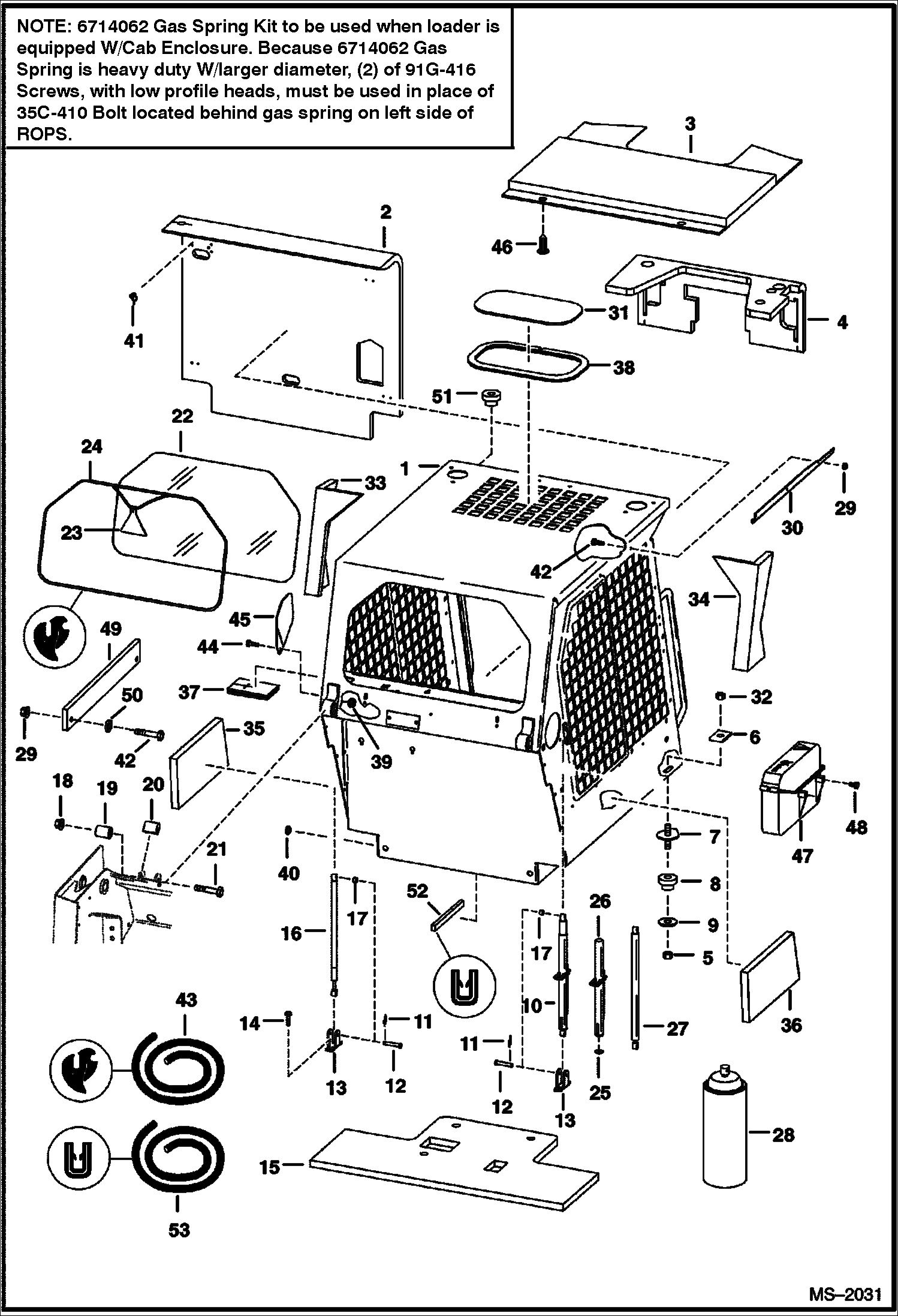
Запчасти Bobcat 600s OPERATOR CAB MAIN FRAME

Схема запчастей Bobcat 600s - OPERATOR CAB MAIN FRAME
FIT
1:1
100%

Артикул

Название

Примечание

Количество

1

6701957

OPERATOR CAB Does NOT Include Cab Decals

2

6708682

INSULATION seat back - Use W/Ref. 41

3

6706155

INSULATION cab top - Use W/Ref.41

3

6715094

INSULATION cab top - accessorie panel cut out - Use W/Ref. 41 - Was 6712537 - A

4

7139184

INSULATION steering panel - Use W/Ref. 41 - Was 6718489 - A

5

85D8

NUT, 5

6

6553709

WASHER

7

6702971

BOLT

8

6560633

DAMPENER

9

6515817

WASHER

10

GAS SPRING NLA - Order Ref. 25-27

11

6631418

RING, RETAINING

12

6567743

PIN

13

6706349

MOUNT

14

84G3112

BOLT 5

15

6715095

INSULATION seat pan - Use W/Ref. 28 - Was 6706982 - A

16

6700171

GAS SPRING w/o lock - also order 6675257, clevis

16

6670730

GAS SPRING KIT W/O lock, heavy duty gas spring - includes clevis on both ends - SEE NOTE

16

91G416

SCREW SEE NOTE - Was 91G000410B - B

16

6900531

INSTRUCTIONS For Kit 6714062

17

6567604

SPACER

18

53D10

NUT Was 83D000010B - A

19

6562602

BUSHING rubber

20

6579613

STOP cab tilt

21

17C1056

BOLT

22

WIND.REAR NLA - Order 6729730 window - Also Order 2134mm (84'') of 6675387 seal and 6554149 cord - Was 6701651 - A

23

6731478

EXIT TAG Was 6559515 - A

24

EXTRUSION NLA - 100''(2540 mm) - Order Ref. 43

24

CORD NLA - 100''(2540 mm) long - Order Ref. 43 - Also Order Ref. 23 (6731478 exit tag)

25

6701174

WASHER

26

6708189

TUBE stop

27

6664205

GAS SPRING also order 6675257, clevis

27

6675257

CLEVIS

28

6652818

ADHESIVE insulation - 24 oz. spray can

29

83D4

NUT 10

30

6703159

TRACK RH

30

6703160

TRACK LH

31

6705735

WINDOW

32

59D8

NUT 5

33

6715098

INSULATION cab back - Use W/Ref. 41 - Was 6706156 - A

34

6715097

INSULATION cab back - Use W/Ref. 41 - Was 6706157 - A

35

6703451

INSULATION cab back - Use W/Ref. 28

36

6703452

INSULATION cab back - Use W/Ref. 28

37

6703455

INSULATION cab back - Use W/Ref. 28

38

6664351

SEAL Use W/cab headliner

38

6665012

SEAL Use W/O cab headliner

39

83D5

NUT 5

40

6664374

PLUG heater hole

41

6664310

CLIP insulation

42

35C410

BOLT 5

43

6665568

EXTRUSION bulk - sold per foot - Was 6658352 - B

43

6554149

CORD, BULK/FT bulk - sold per foot

44

17C512

BOLT 5

45

6707879

COVER

46

6669308

RETAINER snap in

47

6708827

CONTAINER manuals

48

6702642

SCREW

49

6736126

COVER

50

25E13

WASHER 5

51

6707674

PLUG round - plugs 1.28'' (32,5 mm) dia. hole in cab

52

MOULDING NLA - 10.5'' (266 mm) long - front corners cab seat pan - Order Ref. 53

53

6654139

MOULDING bulk - sold per foot

Выбрано товаров: 62