Запчасти Bobcat 600s EUROPEAN ACCESSORIES ACCESSORIES & OPTIONS

Схема запчастей Bobcat 600s - EUROPEAN ACCESSORIES ACCESSORIES & OPTIONS
FIT
1:1
100%

Артикул

Название

Примечание

Количество

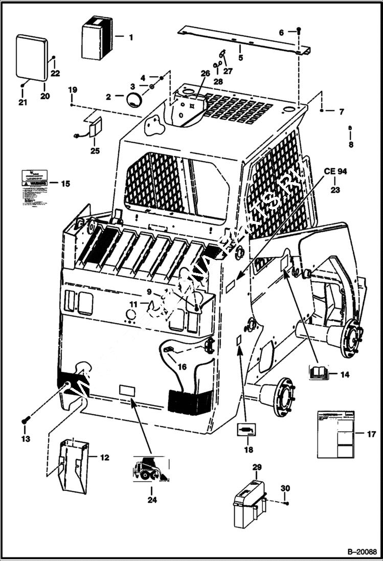
1

KIT SALES - European Accessories - Ref. 2-18

2

6653388

MIRROR convex

3

6518952

WASHER .26'' I.D. - 1'' O.D.

4

25E13

WASHER 5 .25'' I.D. - .75'' O.D.

5

6701852

SHIELD

6

35C616

BOLT 5

7

61D6

NUT 5

8

COVER NLA - grease - Order Ref. 18

9

55D4

NUT

10

35C412

BOLT

11

6709092

SHIELD exhaust - Use W/Steel Hood - Was 6704653 - A

12

6705100

TOOL HOLDER

13

9G636

BOLT 5

14

DECAL NLA - operator manual - located inside of cab - Was 6707971 - A

15

6708155

KIT handbook

16

6701883

STOP tailgate

17

6722300

INSTRUCTIONS For Ref. 12-14

18

6705340

DECAL, GREASE

19

6664221

RETAINER snap in

20

6633394

CONTAINER manuals

21

35C410

BOLT 5

22

83D4

NUT 10

23

DECAL NLA - CE94 - Was 6707814 - A

24

6595014

DECAL Tow Hook - Was 6707867 - A

25

6680326

LIGHT Dome - Was 6664368 - A

25

6665367

BULB

25

6665353

SWITCH

26

PANEL

27

6664223

OUTLET

28

6664224

CAP

29

6708827

CONTAINER for manuals

30

6702642

SCREW

Выбрано товаров: 32