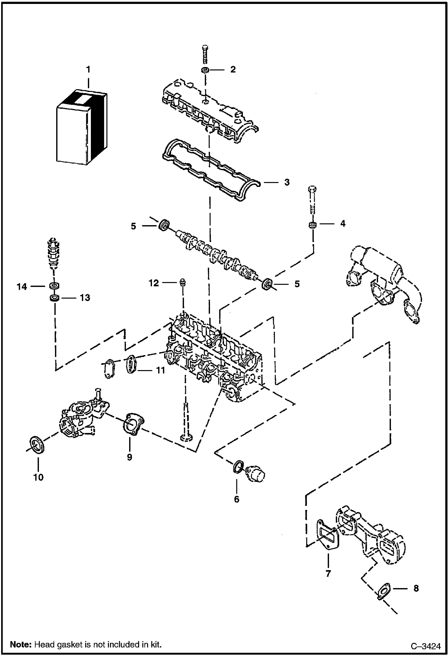
Запчасти Bobcat 600s ENGINE & GASKET KITS (Peugeot XUD9) POWER UNIT

Схема запчастей Bobcat 600s - ENGINE & GASKET KITS (Peugeot XUD9) POWER UNIT
FIT
1:1
100%

Артикул

Название

Примечание

Количество

1

6667056

GASKET KIT upper gasket - Ref. 2-14

1

GASKET NLA - intake manifold - only available in kit - 3 pcs

2

6674382

WASHER Valve Cover - Was 6667048 - A

3

6667047

GASKET valve cover

4

6667043

WASHER head bolt

5

6665718

SEAL camshaft

6

GASKET NLA - Camshaft Cover - Was 6667279 - A

7

6667269

GASKET exhaust manifold

8

6708679

GASKET exhaust

9

GASKET NLA - thermostat housing - Was 6662519 - A

10

6673195

GASKET thermostat - Was 6667241 - A

11

6662414

GASKET

12

6662435

SEAL valve

13

6662445

WASHER flame ring

14

6662444

GASKET injector

Выбрано товаров: 15