Запчасти Bobcat 600s CYLINDER HEAD POWER UNIT

Схема запчастей Bobcat 600s - CYLINDER HEAD POWER UNIT
FIT
1:1
100%

Артикул

Название

Примечание

Количество

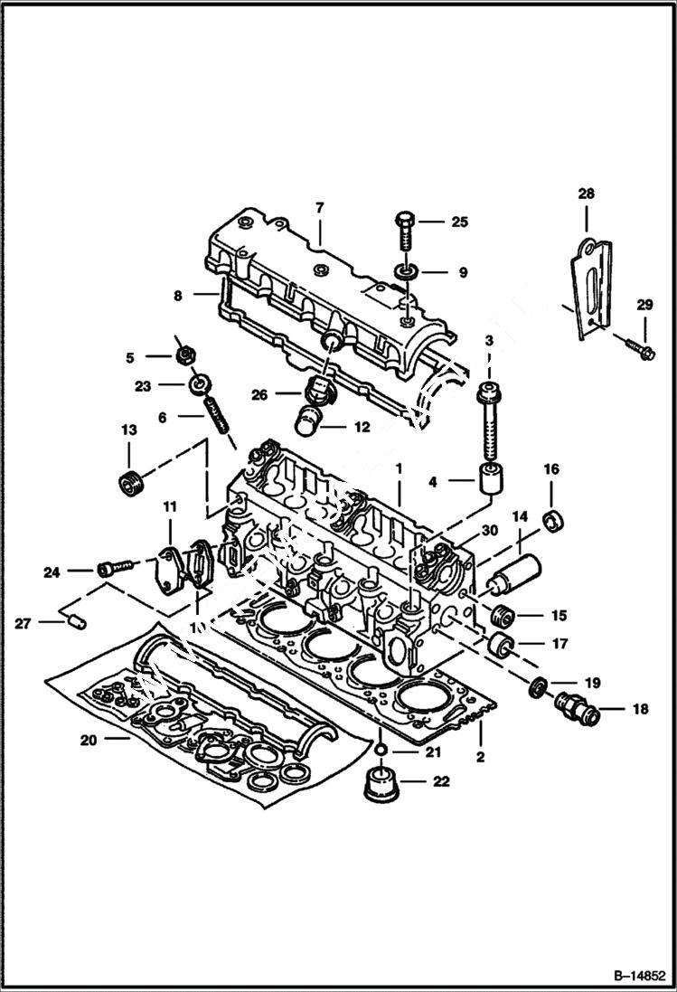
1

6669186REM

HEAD CYL PEUGEOT XUD9 Complete With cam & valves adjusted - Also Order (4) 6662446 Heat Shields - Was 6669186 - A

1

6670846

CYLINDER HEAD Bare W/O valves & camshaft - W/Valve seats, guides & Ref. 22

1

6669186REM

HEAD CYL PEUGEOT XUD9

2

6668755

GASKET 2 NOTCHS - Not in Kit - Was 6667040 - A

2

6668756

GASKET 3 NOTCHS - Not in Kit Was 6667041 - A

2

6668757

GASKET 4 NOTCHS - Not in Kit

2

6668758

GASKET 5 NOTCHS - Not in Kit

3

6676346

SCREW Was 6667042 - A

4

WASHER NLA - Order Ref. 3 - Was 6667043 - A

5

6673196

NUT Was 6667044 - A

6

6667045

STUD

7

COVER NLA - Was 6667046 - A

8

6667047

GASKET

9

6667048

WASHER

10

6662414

GASKET

11

6662413

PLATE

12

6667049

PLUG

13

6667050

THREADED PLUG

13

6670847

BALL

14

6667051

STUB

15

6667052

PLUG

16

6662355

PLUG

16

6667036

PLUG

16

6667037

PLUG

17

6667053

PLUG

18

6667054

STUB

19

6667055

GASKET

20

6667056

GASKET KIT See Illustration ENGINE & GASKET KITS/ C3424 - upper

21

6662417

CHAMBER BALL

22

6667057

SWIRL CHAMBER 1st REPAIRING

22

SWIRL CHAMBER NLA - 2nd REPAIRING - Was 6667058 - A

23

6667059

WASHER

24

6667060

BOLT

25

6667061

BOLT

26

CLAMP NLA - Was 6667062 - A

27

CAP

28

6670858

BRACKET

29

6670860

BOLT

30

CAP NSS - line bored W/different diameters - Was 6670860 - A

Выбрано товаров: 39