Качественные детали и логистика
Оригинальные и аналоговые запчасти с доставкой по России, Казахстану и Беларуси
©2022 PartSell ООО "Система" ИНН 2463123282 ОГРН 1212400004838
Центральный офис: г. Красноярск, Академика Киренского, д.87, пом.4
Телефон: 8 (800) 777-65-74 Email: zakaz@partsell.ru
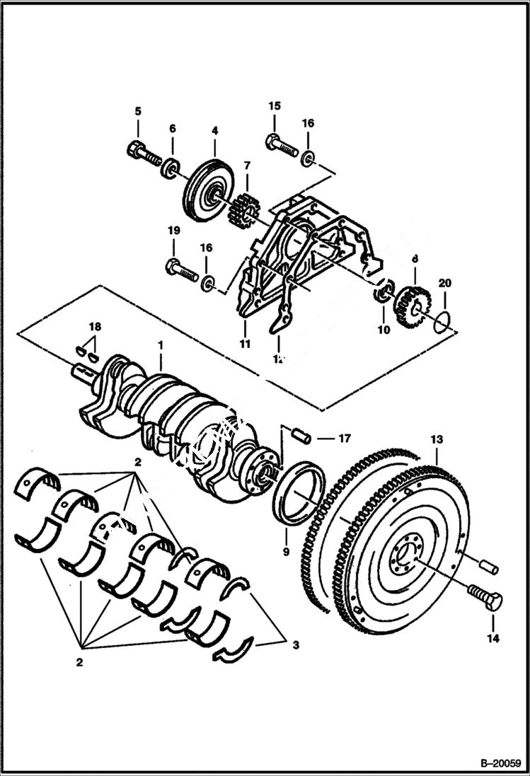
CRANKSHAFT
№
Артикул
Название
Примечание
Количество
1
6673004
CRANKSHAFT Was 6667076 - A
2
6662380
BEARING
6662381
BEARING 1st repair
3
6666094
WASHER thrust - set of 2 halves
6666095
WASHER thrust - +0.10
6666096
WASHER thrust - +0,15
6666097
WASHER thrust - +0,20
4
6667077
PULLEY crankshaft
5
6666083
BOLT pulley
6
6662370
WASHER
7
GEAR NLA - Was 6667078 - A
8
6662374
INJ. PUMP GEAR
9
7000005
BEARING SEAL Was 6662375 - A
10
6665717
SEAL Was 6666086 - A
11
6667079
PLATE
12
6667080
PLATE SEAL
13
6709768
FLYWHEEL assemble W/Ring gear
6708185
RING GEAR
14
6662545
BOLT Was 6667663 - A
15
6662378
BOLT
16
6666103
17
6662353
DOWEL
18
6666100
KEY
19
6662379
20
6675720
O-RING
Выбрано товаров: 0