Запчасти Bobcat 600s WATERPUMP POWER UNIT

Схема запчастей Bobcat 600s - WATERPUMP POWER UNIT
FIT
1:1
100%

Артикул

Название

Примечание

Количество

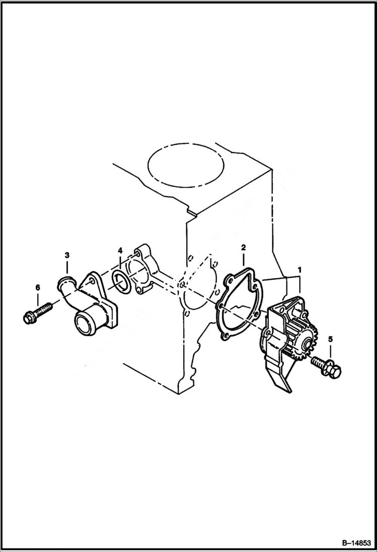
1

6667231

COVER W/Ref. 2

2

6666231

GASKET

3

6709412

WATER INLET Was 6667232 - A

4

6667233

O-RING

5

6667234

BOLT

6

6667235

BOLT

Выбрано товаров: 6