Запчасти Bobcat 700s ENGINE & ATTACHING PARTS POWER UNIT

Схема запчастей Bobcat 700s - ENGINE & ATTACHING PARTS POWER UNIT
FIT
1:1
100%

Артикул

Название

Примечание

Количество

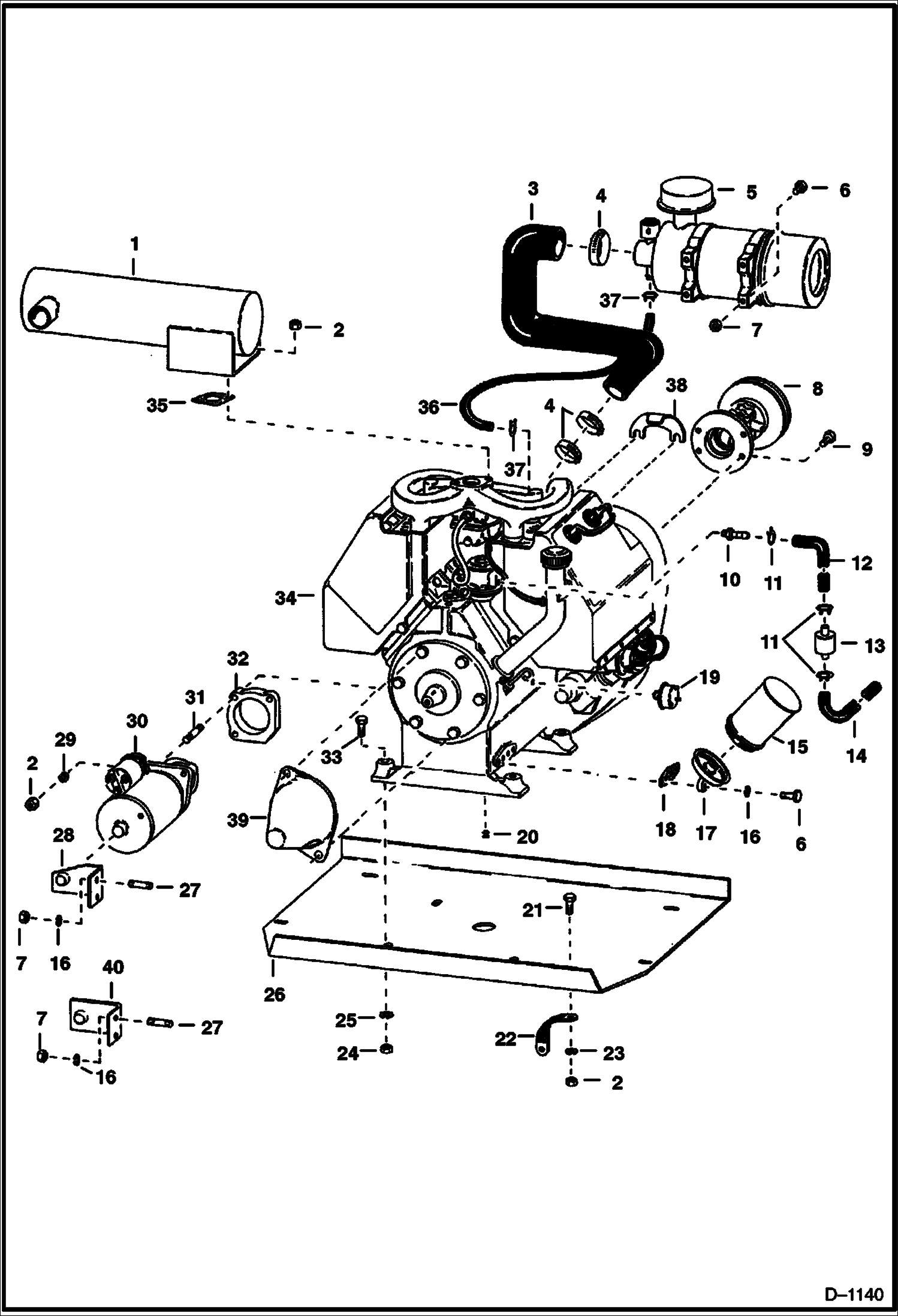
1

6541298

MUFFLER

2

61D6

NUT 5

3

6544538

HOSE

4

42H32

HS CLAMP5 Was 42H-25 - A

5

AIR CLEANER See Illustration AIR CLEANER/ B17881

6

17C516

BOLT

7

61D5

NUT

8

U-JOINT See Illustration UNIVERSAL JOINT/ B1439

9

17C612

BOLT 5

10

6505813

CONNECTOR

11

SPACER NLA - Was 6515775 - A

12

6542222

HOSE

13

6511393

FILTER fuel

14

6551525

HOSE

14

6552638

HOSE

15

ELEMENT See BTI198 filter

16

4E5

WASHER

17

HEAD See BTI198 NLA - filter - W/Element

18

6516514

GASKET

19

6519242

SWITCH pressure

20

40K6

PLUG pipe

21

17C620

BOLT

22

6514523

CABLE

23

25E18

WASHER

24

61D8

NUT 5

25

25E21

WASHER 5

26

6541614

PLATE

26

6547312

PLATE

27

6516346

STUD

28

6511660

BRACKET

29

4E6

WASHER

30

STARTER See Illustration STARTER/ A1379

31

6516348

STUD

32

6516349

BRACKET

33

17C840

BOLT

34

ENGINE See Illustration ENGINE/ B2120 VH4D WISCONSIN

35

6541299

GASKET

36

6544539

HOSE

37

42H12

CLAMP 10

38

6547178

SUPPORT hose

39

6548503

SHIELD

40

BRACKET NLA - Order 6551298 Starter Mounting Kit

Выбрано товаров: 42