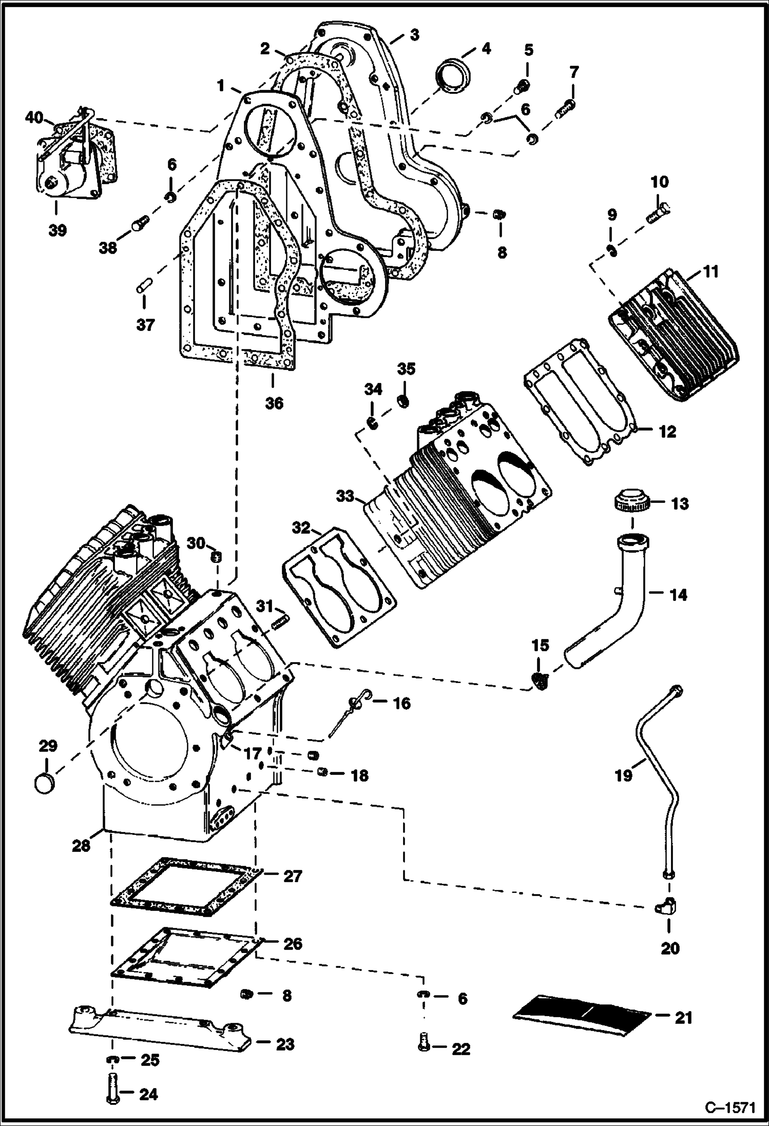
Запчасти Bobcat 700s CRANKCASE & GEAR COVER POWER UNIT

Схема запчастей Bobcat 700s - CRANKCASE & GEAR COVER POWER UNIT
FIT
1:1
100%

Артикул

Название

Примечание

Количество

1

6510831

SPACER

2

6516529

GASKET

3

COVER NLA - Was 6510832 - A

3

6512331

COVER

4

6516526

SEAL oil

5

852074

SCREW

6

4E5

WASHER

6

6516500

WASHER

7

17C520

BOLT 5

8

40K6

PLUG pipe

9

861276

WASHER 5

10

6516436

BOLT cap

10

17C520

BOLT 5

11

6516433

HEAD, CYL ENG Gasoline

11

6516432

HEAD LPG

12

6516434

GASKET

13

6515567

CAP

14

FILLER TUBE NLA - Oil - W/Ref. 13 - Was 6510088 - A

14

6514844

TUBE oil - W/Ref. 13 - 720

15

6516536

SCREEN

16

DIPSTICK NLA - Was 6510828 - A

17

TUBE NLA - dipstick - Was 6510829 - A

18

16F2

PLUG pipe

19

6516512

OIL LINE

20

42F3

FTG

21

6664964

GASKET KIT Complete Overhaul - Was 6516447 - A

22

17C510

BOLT

23

6516443

SUPPORT

24

17C824

BOLT 5

25

4E8

WASHER

26

PLATE NLA - Was 6519496 - A

27

6516444

GASKET

28

CRANKCASE NLA - W/Ref. 13-18 & 29-31 - Was 6510830 - A

28

6512333

CRANKCASE W/Ref. 13-18 & 29-31

29

6516441

PLUG

30

6516435

PLUG

31

6510868

STUD

32

6516437

GASKET

33

6516497

BLOCK See Illustration CYLINDER & VALVES/ C1570 CYLINDER

34

4E7

WASHER

35

62D7

NUT

36

GASKET NLA - Was 6510824

37

6516532

PIN

38

17C512

BOLT 5

39

6510833

GOVERNOR See Illustration GOVERNOR & CONTROL/ B1399

39

6512329

GOVERNOR See Illustration GOVERNOR & CONTROL/ B1399

40

6516617

GASKET

Выбрано товаров: 47