Запчасти Bobcat 700s CARBURETOR POWER UNIT

Схема запчастей Bobcat 700s - CARBURETOR POWER UNIT
FIT
1:1
100%

Артикул

Название

Примечание

Количество

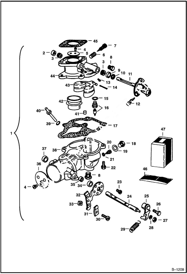
1

6516590

CARBURETOR Ref. 2-44

2

PLUG NLA

3

BUSHING NLA

4

SCREW NLA

5

PLATE NLA

6

SPRING NSS

7

NEEDLE NSS - idle - Order Ref. 47

8

PLUG NLA

9

SEAL NSS - Order Ref. 47

10

RETAINER NSS - Order Ref. 47

11

LEVER NLA - shaft & stop

12

SCREW NLA

13

JET NLA - idle

14

AXLE NSS - float - Order Ref. 47

15

WASHER NSS - Order Ref. 46

16

VALVE & SEAT NSS - Order Ref. 47

17

GASKET NSS

18

PLUG NLA

19

WASHER NSS - Order Ref. 46

20

JET NLA

20

853227

JET main adj.

21

WASHER NSS - main jet - Order Ref. 46

22

SCREW NLA

23

SCREW NLA

24

SHAFT NLA

25

LEVER NLA

26

SCREW NLA

27

NUT NLA

28

WASHER NLA

29

SPRING NLA

30

SCREW NLA

31

CLIP NLA

32

BRACKET NLA

33

NUT NLA

34

RETAINER NSS

35

SEAL NSS

36

PLATE NLA

37

PLUG NLA

38

BOWL NLA

39

WASHER NSS - Order Ref. 47

40

JET NLA

41

JET NLA

42

VENTURI NLA

43

FLOAT NLA

44

BODY NLA

45

6516398

GASKET

46

872934

GASKETS Ref. 15, 17, 19, 21

47

991094

KIT, CARBURETOR Ref. 6, 7, 9, 10, 14, 16, 17, 19, 21, 34, 35, 39, 45 & 46 - Was 6548194 - A

Выбрано товаров: 48