Качественные детали и логистика
Оригинальные и аналоговые запчасти с доставкой по России, Казахстану и Беларуси
©2022 PartSell ООО "Система" ИНН 2463123282 ОГРН 1212400004838
Центральный офис: г. Красноярск, Академика Киренского, д.87, пом.4
Телефон: 8 (800) 777-65-74 Email: zakaz@partsell.ru
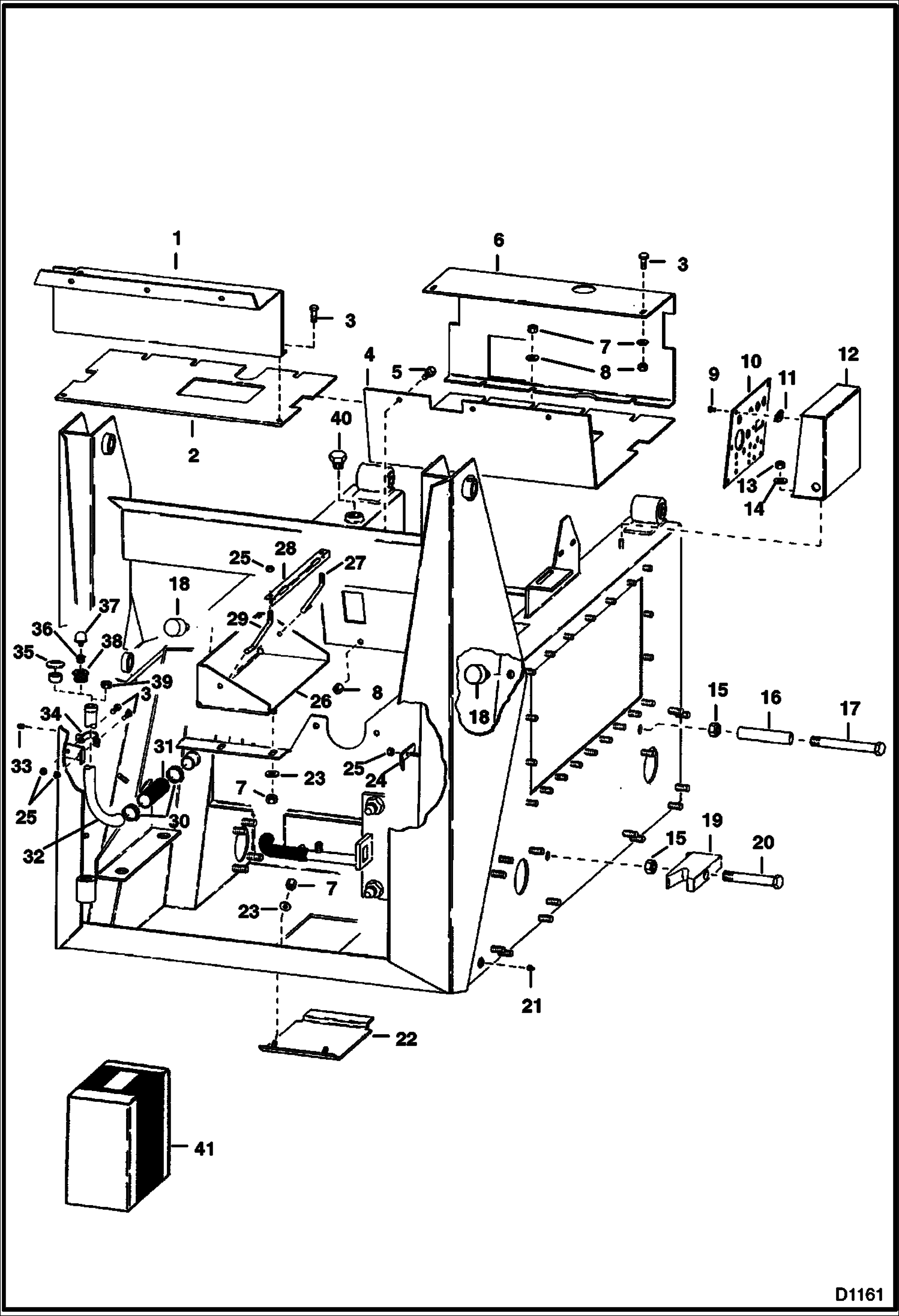
MAIN FRAME
№
Артикул
Название
Примечание
Количество
1
6547426
STEP Was 6547425 - A
2
6555775
PLATE
3
17C616
BOLT 5
4
6540046
PLATE floor
5
17C612
6
6540105
GUARD floor
6555741
7
61D6
NUT 5
8
25E17
WASHER 5
9
87G1008
SCREW
10
6541570
PANEL instrument
11
1303869
NUT spring
12
6541569
BOX instrument
13
61D4
14
25E14
WSHR
15
61D12
NUT
16
6542805
SPACER
17
17C1296
BOLT
18
BREATHER NLA - Was 6519644 - A
19
6544386
20
BOLT NLA - Was 18C001260B - A
21
16F12
PLUG
22
6542218
COVER
6553117
23
25E18
WASHER
24
6544128
CLIP jack
25
81D6
26
6541205
BOX battery
27
6548876
ROD battery - Front
28
6548878
HOLDDOWN battery
29
6548877
ROD battery - rear
30
42H32
HS CLAMP5
31
6547655
HOSE Use 7 in. Of 1303356
32
TUBE NLA - hyd. oil fill - Was 6541660 - A
33
40K4
PLUG oil check
34
6548183
CLAMP
35
CAP NLA - Use Kit 6547672
36
19F15
BUSHING
37
6515173
CAP
38
19F7
39
PLUG NLA - drain - Was 16F000020B - A
40
16F16
PLUG drain
41
KIT NLA - service, hyd. oil filter -Order Ref. 36-38 Plus 6548292 Adapter - Was 6547672 - A
Выбрано товаров: 0