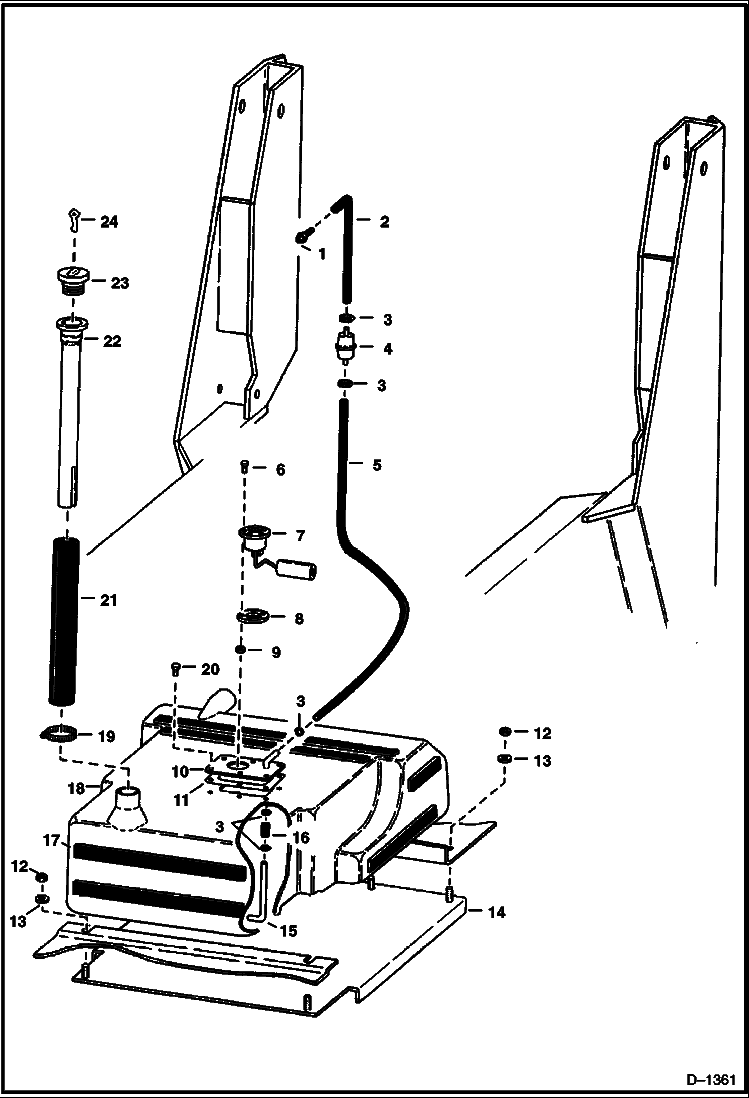
Запчасти Bobcat 700s FUEL SYSTEM (S/N 13001 & Above) (Plastic Tank) MAIN FRAME

Схема запчастей Bobcat 700s - FUEL SYSTEM (S/N 13001 & Above) (Plastic Tank) MAIN FRAME
FIT
1:1
100%

Артикул

Название

Примечание

Количество

1

6505813

CONNECTOR barbed

2

6542222

HOSE

3

42HS04

CLAMP, HOSE Was 6515575 - A

4

6511393

FILTER

5

6552638

HOSE

6

85G1008

SCREW

7

5204933

SENDERKIT

8

6519201

GASKET

9

50D10

LOCKNUT

10

6555781

PLATE

11

6552605

GASKET

12

61D8

NUT 5

13

25E21

WASHER 5

14

6552607

PLATE

15

TUBE NLA - Was 6591457 - A

16

HOSE NLA - Order 2 in. of 6577821 - Was 6543387 - A

17

6554387

STRIP 14 ft. Roll

18

6555986

TANK KIT - includes Ref. 11, Ref. 17, 6515213 rivet (2), 6555718 tank & 6556082 instructions

19

42H32

HS CLAMP5

20

14G1012

CAPSCREW

21

6555743

HOSE

22

6555774

TUBE

23

6632468

CAP

23

CAP NLA - locking - W/Key - Code GC020 - Was 6654373 - A

23

6662770

CAP locking - W/Key - Code PK510

24

6654374

KEY Code GC020

24

6587458

KEY Code PK510

Выбрано товаров: 27