Запчасти Bobcat 700s AUXILIARY HYDRAULICS KIT (Front Unit) ACCESSORIES & OPTIONS

Схема запчастей Bobcat 700s - AUXILIARY HYDRAULICS KIT (Front Unit) ACCESSORIES & OPTIONS
FIT
1:1
100%

Артикул

Название

Примечание

Количество

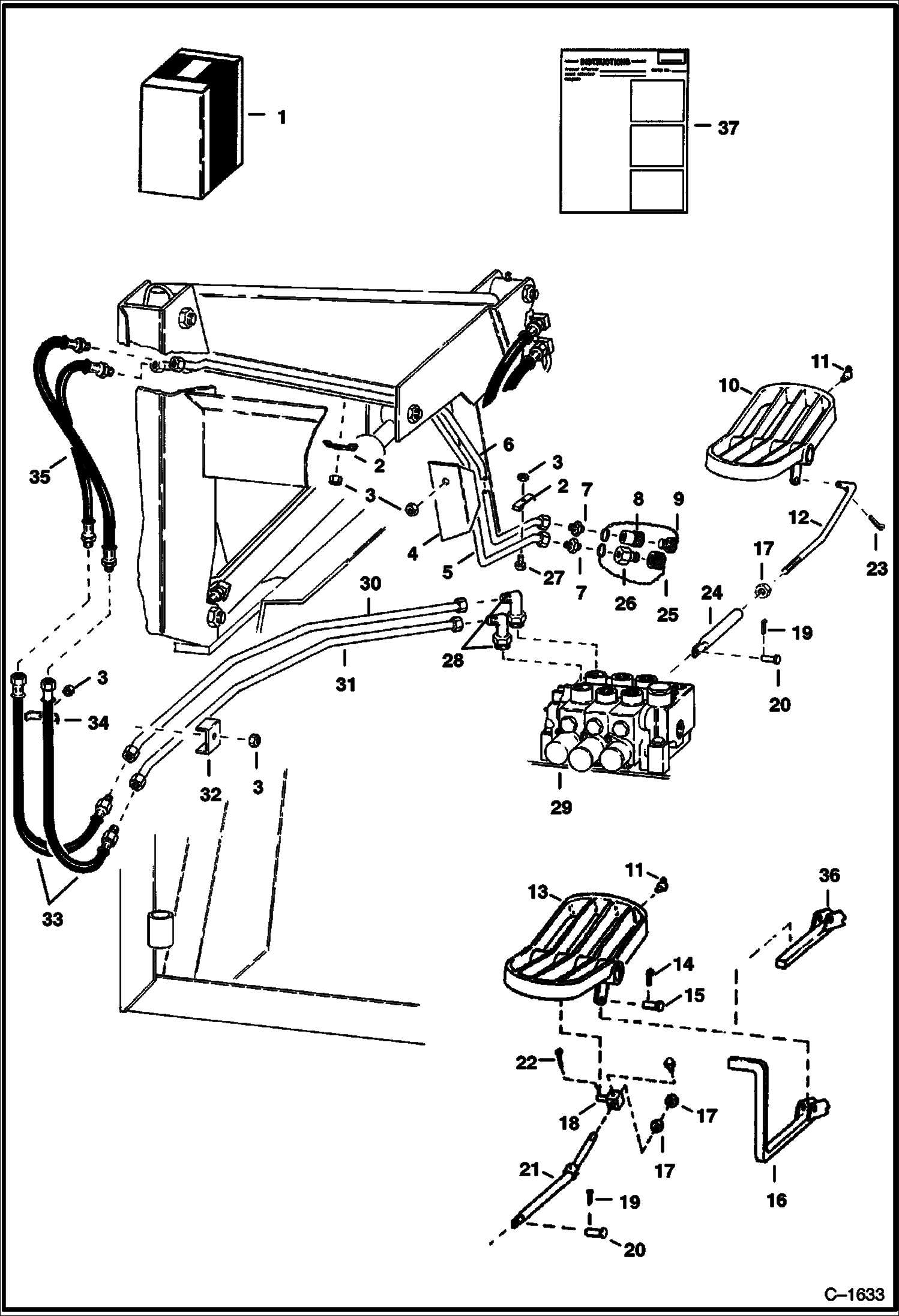
1

KIT NLA - front unit auxiliary - Order Ref. 2-12, 17-19, 20 & 23-37 & 6511040 Seal Kit

1

6551502

KIT front unit conversion - Ref. 2-9 & 25-27

1

6552974

KIT auxiliary pedal - Ref. 10, 12, 17 & 24

2

6502203

CLAMP

3

81D6

NUT

4

6546214

SHIELD

5

6547171

TUBE Outer

6

6547170

TUBE Inner

7

89F7

ADAPTOR

8

6598756

QUICK COUPLER Female

8

25K40026

O RING 10

9

6515167

PLUG dust

10

6551165

PEDAL

11

12H25

FITTING

12

6551166

ROD

13

PEDAL NLA - Order 6552974 Kit

14

1F312

PIN

15

2F6106

PIN

16

LOCK NLA - pedal - Order 6552974 Kit

17

8D8

NUT

18

6546384

SWIVEL

19

1F308

PIN, COTTER

20

1304227

PIN

21

ROD NLA - Order 6552974 Kit

22

1F416

PIN

23

1F416

PIN Was 1F000516B - A

24

6551167

TUBE

25

6515168

CAP dust

26

6598755

QUICK COUPLER Male

27

17C624

BOLT 5

28

17K7

ELBOW W/O-Ring

28

79K10

O RING 10

29

SECTION See Illustration HYDRAULIC CONTROL VALVE/ B1511 NLA - VALVE - WAS 6519936 - A

30

6544513

TUBE Front

31

6544514

TUBE Rear

32

6541684

CLAMP

33

6546460

HOSE

34

6502773

CLAMP

35

6541094

HOSE

36

6546379

LOCK

37

6545786

INSTRUCTIONS

Выбрано товаров: 0