Качественные детали и логистика
Оригинальные и аналоговые запчасти с доставкой по России, Казахстану и Беларуси
©2022 PartSell ООО "Система" ИНН 2463123282 ОГРН 1212400004838
Центральный офис: г. Красноярск, Академика Киренского, д.87, пом.4
Телефон: 8 (800) 777-65-74 Email: zakaz@partsell.ru
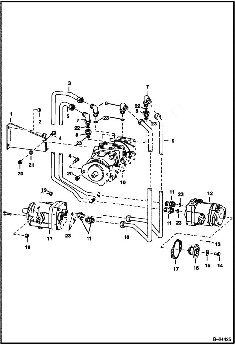
HYDROSTATIC PUMP & MOTOR FITTINGS
№
Артикул
Название
Примечание
Количество
1
6546872
BRACKET
2
61D6
NUT 5
3
6547607
TUBE
4
17C824
BOLT 5
5
6547606
6
17K8
FITTING W/Ref. 23 - Was 6557332 - A
7
17KB1210
FITTING, HYD ELBOW W/Ref. 22 - Was 6714901 - A
8
TUBE NLA - Order 6546667 Adapter & 79K000012B O-ring - Was 6546973 - A
9
6547604
10
PUMP See Illustration HYDROSTATIC PUMP/ D1248 NLA - HYDROSTATIC - WAS 6511316 - A
11
15K8
FITTING W/Ref. 23
12
6519859
MOTOR See Illustration HYDROSTATIC MOTOR/ D1249
13
7J3108
KEY square
14
18C628
BOLT
15
774813
WASHER
16
6547162
SPROCKET
17
6544531
KIT shim & gasket
18
6547605
19
61D7
NUT
20
61D8
21
25E22
22
79K10
O RING 10
23
79K12
Выбрано товаров: 0