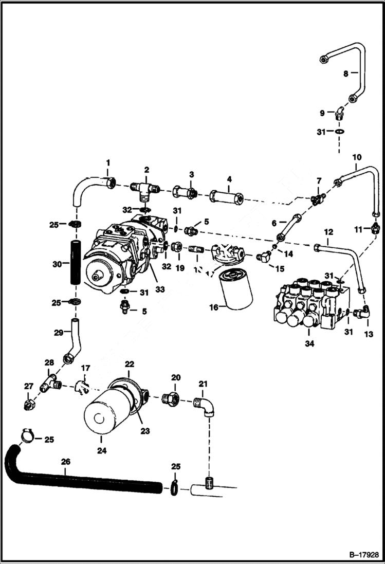
Запчасти Bobcat 700s HYDROSTATIC CIRCUITRY HYDROSTATIC SYSTEM

Схема запчастей Bobcat 700s - HYDROSTATIC CIRCUITRY HYDROSTATIC SYSTEM
FIT
1:1
100%

Артикул

Название

Примечание

Количество

1

6541864

TUBE hydraulic

2

19K10

TEE W/Ref. 32

3

6541868

ADAPTER

4

6511971

VALVE check

5

15K7

FITTING W/Ref. 31

6

6541871

TUBE

7

731376

TEE

8

TUBE NLA - Order Ref. 10 & 11

9

18K7

FITTING W/Ref. 31

10

6551456

TUBE hydraulic

11

ADAPTER NLA - W/Ref. 31 - Was 6511857 - A

12

6541865

TUBE hydraulic

13

17K7

ELBOW W/Ref. 31

14

6555832

ORIFICE

15

1303618

ELBOW

16

6515541

ELEMENT filter - 10 micron

17

6650030

HEAD filter -W/Element - Was 6519866 - A

18

5K612

NIPPLE

19

6544722

ADAPTER W/Ref. 32

20

19F16

BUSHING

21

26F6

ELBOW

22

HOUSING NLA - filter - W/Element - Was 6510017 - A

23

6519904

O-RING element

24

6552507

ELEMENT filter - 25 micron

25

44H20

CLAMP Was 6666864 - A

26

6551614

HOSE

27

1308834

FITTING

28

98F10

TEE

29

6541863

TUBE

30

6503078

HOSE

31

79K10

O RING 10

32

79K16

O RING 10

33

PUMP See Illustration HYDROSTATIC PUMP/ D1248

34

VALVE See Illustration HYDRAULIC CONTROL VALVE/ B1511

Выбрано товаров: 34