Качественные детали и логистика
Оригинальные и аналоговые запчасти с доставкой по России, Казахстану и Беларуси
©2022 PartSell ООО "Система" ИНН 2463123282 ОГРН 1212400004838
Центральный офис: г. Красноярск, Академика Киренского, д.87, пом.4
Телефон: 8 (800) 777-65-74 Email: zakaz@partsell.ru
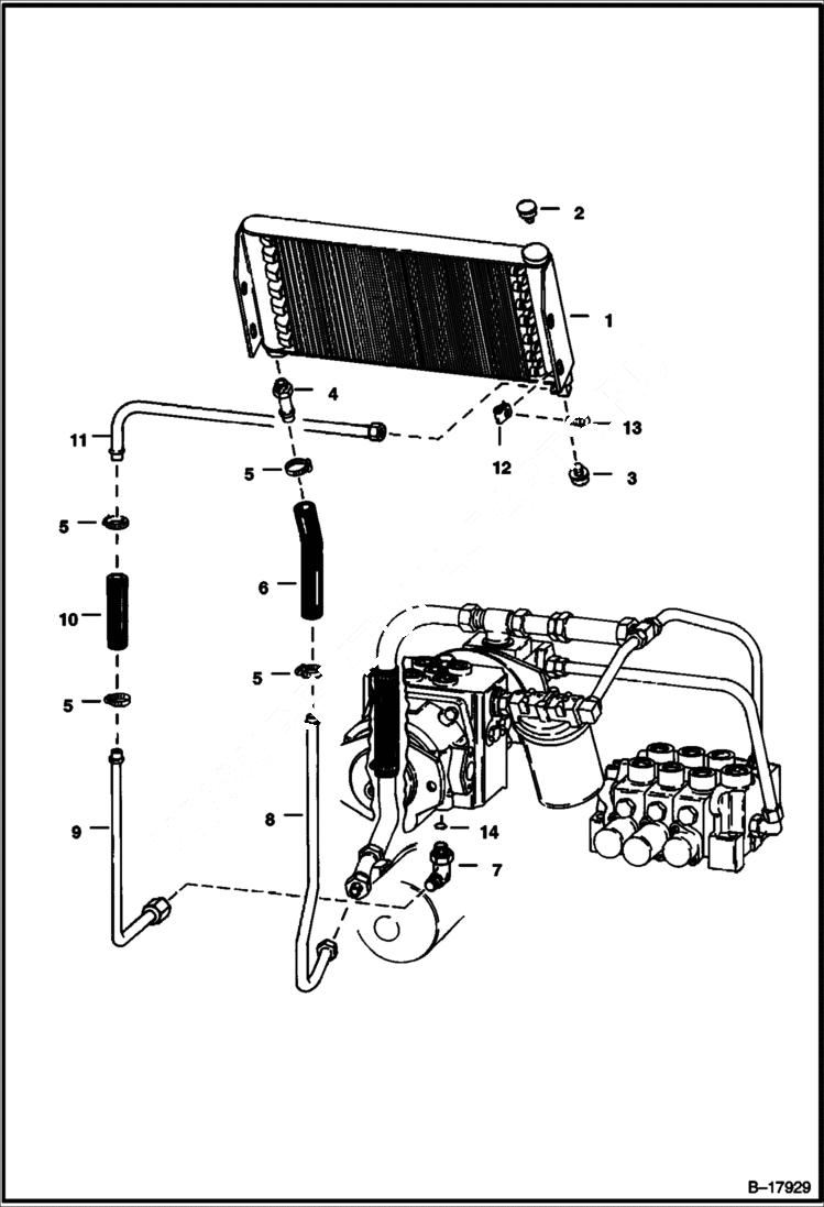
HYDROSTATIC OIL COOLER CIRCUITRY
№
Артикул
Название
Примечание
Количество
1
COOLER NLA - oil - Was 6541951 - A
2
40K4
PLUG pipe
3
6515476
SWITCH hydrostatic temperature
4
666867
NIPPLE
5
42H12
CLAMP 10 Was 1566240 - A
6
6541966
HOSE
7
17K7
ELBOW W/Ref. 14
8
6541876
TUBE hydraulic
9
6554819
TUBE Also Order Ref. 7
10
6541967
11
6542430
12
6E4
WASHER 10
13
17C408
BOLT
14
79K10
O RING 10
Выбрано товаров: 0