Качественные детали и логистика
Оригинальные и аналоговые запчасти с доставкой по России, Казахстану и Беларуси
©2022 PartSell ООО "Система" ИНН 2463123282 ОГРН 1212400004838
Центральный офис: г. Красноярск, Академика Киренского, д.87, пом.4
Телефон: 8 (800) 777-65-74 Email: zakaz@partsell.ru
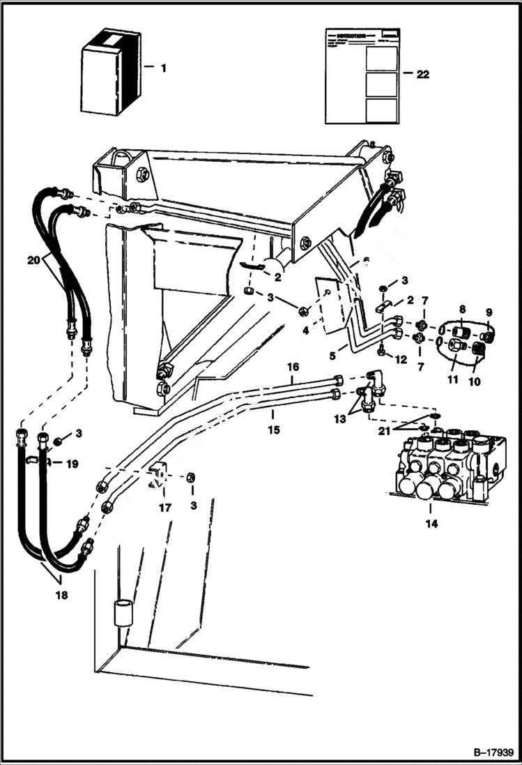
AUXILIARY HYDRAULICS KIT (Front Unit)
№
Артикул
Название
Примечание
Количество
1
6551502
KIT front auxiliary-Ref. 2-12 & 20-22
2
6502203
CLAMP tube
3
81D6
NUT
4
6546214
SHIELD
5
6547171
TUBE Outer
6
6547170
TUBE Inner
7
89F7
ADAPTOR
8
6598756
QUICK COUPLER
25K40026
O RING 10
9
6515167
PLUG W/Chain
10
6515168
CAP W/Chain
11
6598755
12
17C624
BOLT 5
13
17K7
ELBOW W/Ref. 21
14
VALVE See Illustration HYDRAULIC CONTROL VALVE/ B1511 HYDRAULIC
15
6544514
TUBE Rear Port
16
6544513
TUBE Front Port
17
6541684
18
6546460
HOSE hydraulic
19
6502773
20
6541094
HOSE
21
79K10
22
6549578
INSTRUCTIONS
Выбрано товаров: 0