Качественные детали и логистика
Оригинальные и аналоговые запчасти с доставкой по России, Казахстану и Беларуси
©2022 PartSell ООО "Система" ИНН 2463123282 ОГРН 1212400004838
Центральный офис: г. Красноярск, Академика Киренского, д.87, пом.4
Телефон: 8 (800) 777-65-74 Email: zakaz@partsell.ru
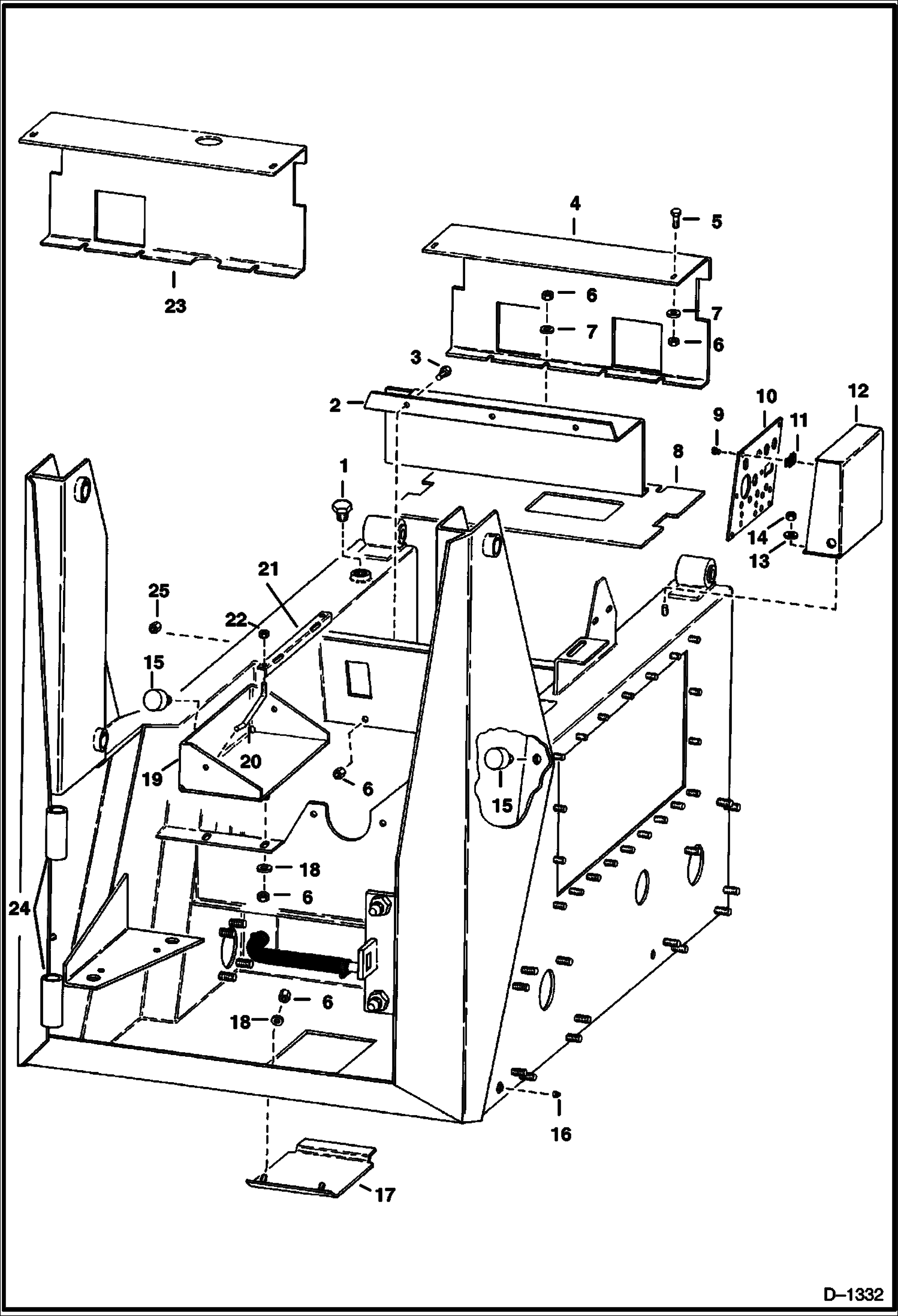
MAIN FRAME
№
Артикул
Название
Примечание
Количество
1
16F16
PLUG
2
6547426
STEP
3
84G3712
BOLT 5
4
6540105
GUARD foot
5
17C616
6
61D6
NUT 5
7
25E17
WASHER 5
8
6555775
PLATE floor
9
87G1008
SCREW
10
6543185
COVER instrument
11
1303869
NUT spring
12
6541569
BOX instrument
13
25E14
WSHR
14
61D4
15
BREATHER NLA - Was 6519644 - A
16
16F12
PLUG drain
17
6553117
COVER belly pan
18
25E18
WASHER
19
6541205
BOX battery
20
6548876
ROD battery - Front
6548877
ROD battery - Rear
21
6548878
HOLDDOWN battery
22
91D5
NUT 5 Was 81D000005B - A
23
6555741
GUARD
24
6550960
BUSHING
25
40K4
PLUG oil check
Выбрано товаров: 0