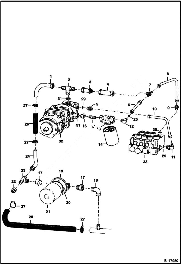
Запчасти Bobcat 700s HYDROSTATIC PUMP CIRCUITRY HYDROSTATIC SYSTEM

Схема запчастей Bobcat 700s - HYDROSTATIC PUMP CIRCUITRY HYDROSTATIC SYSTEM
FIT
1:1
100%

Артикул

Название

Примечание

Количество

1

6541864

TUBE hydraulic

2

19K10

TEE W/Ref. 31

3

6541868

ADAPTER

4

6511971

VALVE check

5

15K7

FITTING W/Ref. 29

6

6541871

TUBE

7

731376

TEE

8

6551456

TUBE hydraulic

9

ADAPTER NLA - W/Ref. 30 - Was 6511857 - A

10

6541865

TUBE hydraulic

11

17K7

ELBOW W/Ref. 29

12

1303618

ELBOW

13

6650030

HEAD filter -W/Element - Was 6519866 - A

14

6515541

ELEMENT filter - 10 micron

15

5K612

NIPPLE

16

6544722

ADAPTER W/Ref. 31

17

19F16

BUSHING reducer

18

26F6

ELBOW

19

HOUSING NLA - Filter W/Element - Was 6510017 - A

20

6519904

O-RING element

21

6552507

ELEMENT filter - 25 Micron

22

1308834

FITTING

23

98F10

TEE

24

6541863

TUBE

25

6555832

ORIFICE

26

6503078

HOSE

27

44H20

CLAMP Was 6666864 - A

28

6551614

HOSE

29

79K10

O RING 10

30

79K12

O RING 10

31

79K16

O RING 10

32

PUMP See Illustration HYDROSTATIC PUMP/ D1248

33

VALVE See Illustration HYDRAULIC CONTROL VALVE/ B12204

Выбрано товаров: 33