Запчасти Bobcat 700s ENGINE & ATTACHING PARTS POWER UNIT

Схема запчастей Bobcat 700s - ENGINE & ATTACHING PARTS POWER UNIT
FIT
1:1
100%

Артикул

Название

Примечание

Количество

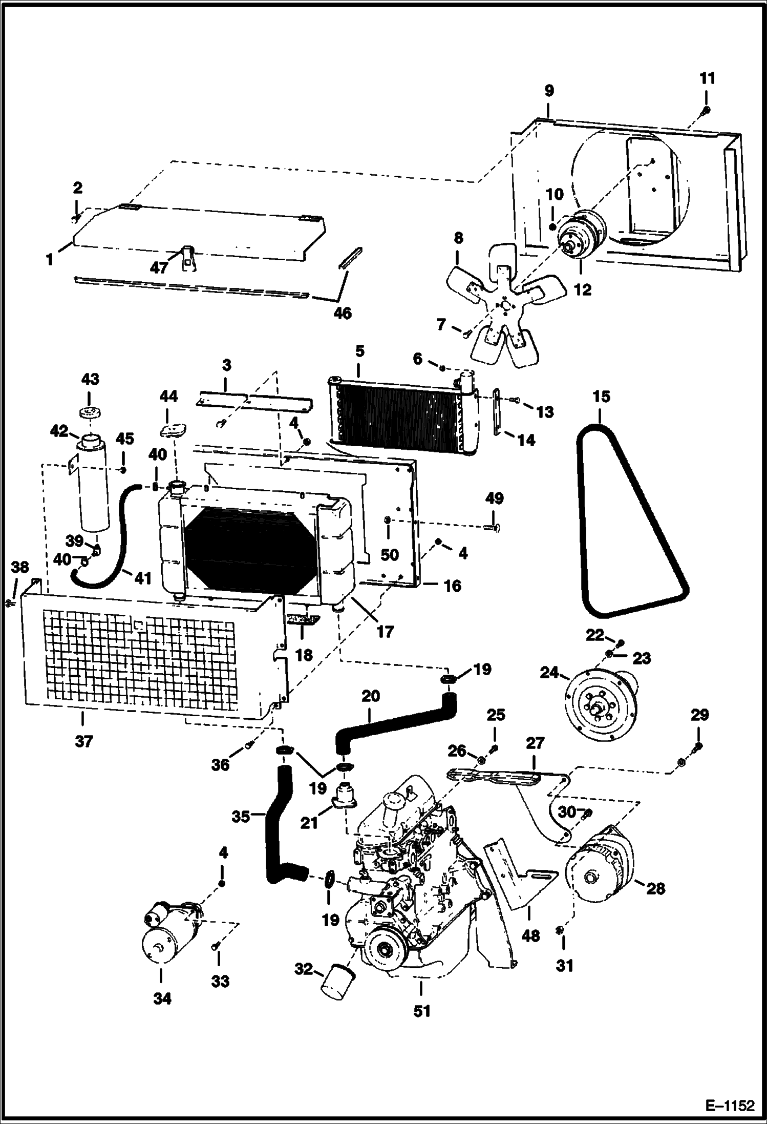
1

6555296

COVER

2

6554745

BOLT

3

6555302

ANGLE

4

6512893

NUT

5

OIL COOLER NLA - Was 6541951 - A

6

6512895

NUT

7

17C610

BOLT

8

6647787

FAN Was 6554720 - A

9

6555339

SHROUD

10

61D6

NUT 5

11

17C616

BOLT 5

12

6554736

HUB ASSY.

12

6554724

SHAFT & BEARINGS

12

6554737

HUB

12

PULLEY NLA - Was 6554829 - A

13

6555274

BOLT

14

6555301

BAR

15

6554887

BELT fan

16

6555320

SHROUD

17

6554830

RADIATOR

18

6555332

SEAL

19

42H32

HS CLAMP5

20

6554659

HOSE radiator

21

6598095

OUTLET Was 6554964 - A

22

17C510

BOLT

23

WASHER NLA

24

U-JOINT See Illustration UNIVERSAL JOINT DRIVE/ B18017

25

17C640

BOLT 5

26

27E6

WASHER 5

27

6555223

BRACKET

28

ALTERNATOR See Illustration ALTERNATOR/ B17933

29

17C644

BOLT

30

35C516

BOLT 10 Was 6554744 - A

31

55D6

NUT Was 6599334 - A

32

6513601

ELEMENT oil filter

33

17C620

BOLT

34

STARTER See Illustration STARTER/ B17982

35

6555074

HOSE

36

6554745

BOLT

37

6555317

SHROUD

38

17C512

BOLT 5

39

6515156

CONNECTOR

40

42HS04

CLAMP, HOSE Was 6515575 - A

41

6577821

HOSE Bulk - order 2 feet - Was 6554649

42

TANK NLA - steel

42

6558479

TANK plastic

43

6515629

FUEL CAP steel

43

6702797

CAP plastic - Was 6558658 - A

44

6666606

RADIATOR CAP radiator - Was 6630156 - A

45

61D5

NUT

46

STRIP NLA - foam

47

6554721

LATCH

48

BRACKET NLA - Was 6558661 - A

49

6514579

BOLT

50

61D8

NUT 5

51

ENGINE See Illustration ENGINE/ B2796 FORD

Выбрано товаров: 56