Запчасти Bobcat 700s CYLINDER BLOCK POWER UNIT

Схема запчастей Bobcat 700s - CYLINDER BLOCK POWER UNIT
FIT
1:1
100%

Артикул

Название

Примечание

Количество

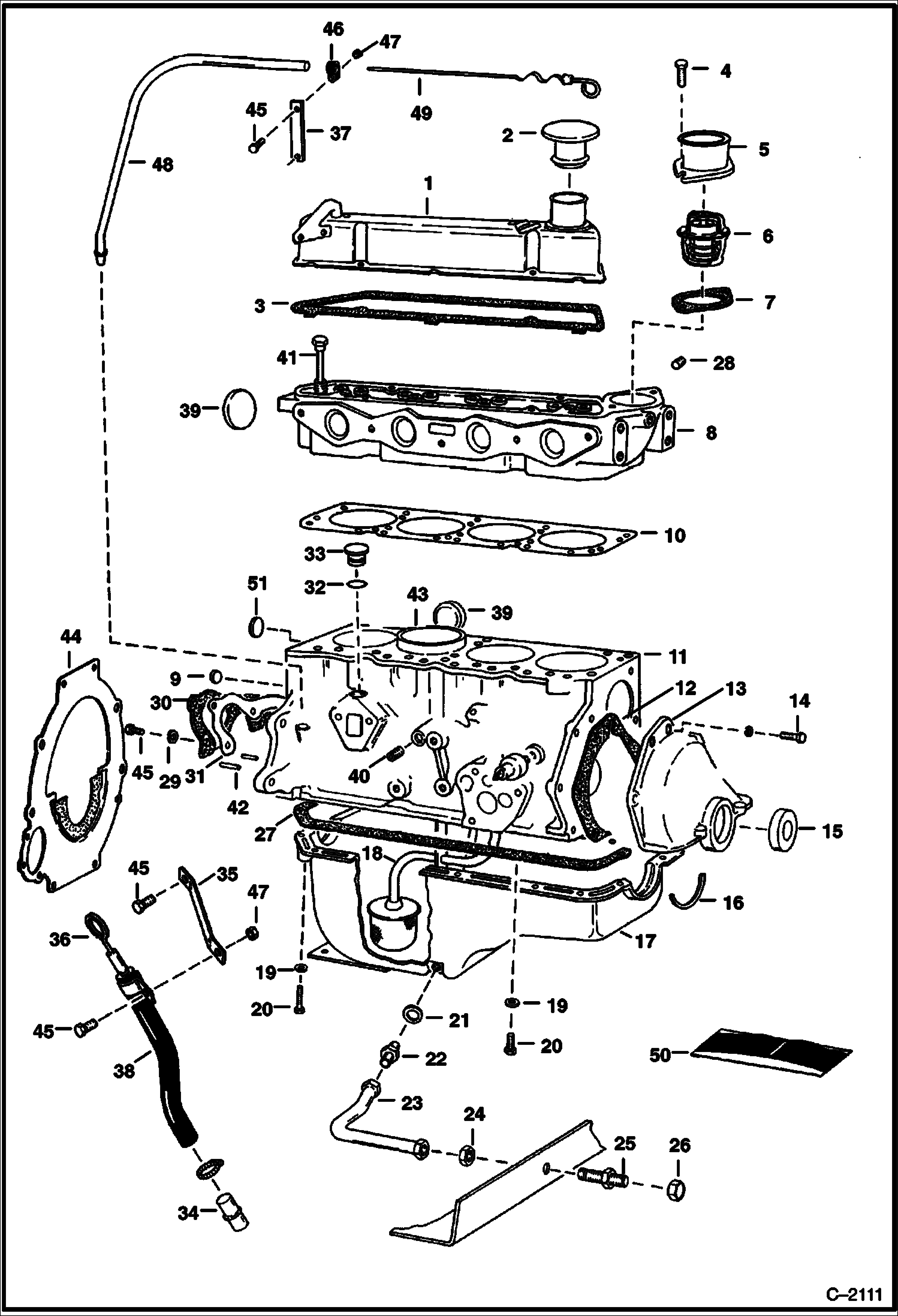
1

COVER NLA - Was 6512476 - A

2

6512494

CAP

3

6512477

GASKET

4

35C516

BOLT 10 Was 6554744 - A

5

6598095

OUTLET

6

6512504

THERMOSTAT 195 degrees

7

6512505

GASKET

8

HEAD NLA - cylinder - Was 6512400 - A

8

HEAD NLA - Use W/Stellite Exhaust Valves - Was 6598075 - A

8

6512400REM

HEAD, FORD FL98

9

6648189

PLUG Was 6512917 - A

10

6512401

GASKET

11

SHORT BLOCK See Illustration ENGINE/ B2796 NLA - WAS 6512397 - A

12

6512399

GASKET front cover

13

6512398

COVER front

14

17C412

BOLT 5

15

6648209

SEAL Was 6512489 - A

16

SEAL NSS

17

PAN NLA - oil - Was 6512488 - A

18

TUBE NLA - Oil Pickup - Was 6512482 - A

19

4E4

WASHER

20

17C408

BOLT

21

895504

10 GSKTS

22

FITTING NLA - Use 1.5'' long, .75 flared end & .5 boss end - Was 6553537 - A

23

6554881

TUBE

24

86F6

NUT

25

45K6

CONNECTR

26

36K6

CAP

27

6669570

GASKET SET oil pan - W/Ref. 16 - Was NLA - A

28

40K2

PLUG

29

4E5

WASHER

30

RETAINER NLA- Was 6512450 - A

31

GASKET NLA - rear oil seal - Was 6512451 - A

32

25K20026

O RING 10

33

6554834

PLUG

34

TUBE NLA - Order Ref. 37 & 45-49

35

6555112

BRACKET

36

INDICATOR NLA - See Ser. Let. 31 Mar. 82 - Order Ref. 37 & 45-49

37

6564912

BRACKET

38

HOSE NLA - Order Ref. 37 & 45-49

39

PLUG NLA - Was 6512915 - A

40

16F2

PLUG Was 6512916 - A

41

BOLT NLA - Package of 8 - Was 6512918 - A

41

BOLT NLA - Package of 2 - Was 6512919 - A

42

6512921

DOWEL Cyl. block to flywheel housing

43

6669569

LINER Std - Was 6657209 - A

43

LINER NLA - .020 Oversizes - O.D. Std. I.D. - Was 6598907 - A

44

PLATE NLA - Was 6512521 - A

45

17C514

BOLT

46

30H22

CLIP

47

61D5

NUT

48

6564911

TUBE dipstick

49

6564910

DIPSTICK

50

6567250

GASKET KIT overhaul

50

GASKET KIT NLA - Valve Grind - Was 6564162 - A

51

6598806

PLUG camshaft

Выбрано товаров: 56