Качественные детали и логистика
Оригинальные и аналоговые запчасти с доставкой по России, Казахстану и Беларуси
©2022 PartSell ООО "Система" ИНН 2463123282 ОГРН 1212400004838
Центральный офис: г. Красноярск, Академика Киренского, д.87, пом.4
Телефон: 8 (800) 777-65-74 Email: zakaz@partsell.ru
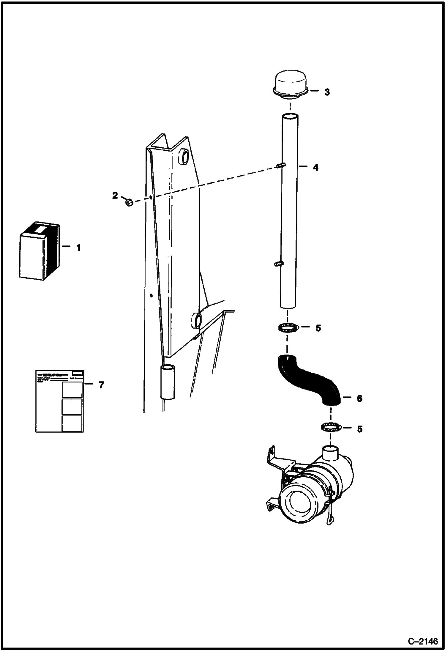
AIR CLEANER EXTENSION
№
Артикул
Название
Примечание
Количество
1
KIT NLA - Order Ref. 2-7
2
61D6
NUT 5
3
INLET NLA - Was 663879B - A
4
TUBE NLA - Was 6551994 - A
5
42H32
HS CLAMP5 Was 42H000024B - A
6
HOSE NLA - Was 6554886 - A
7
INSTRUCTIONS NLA - Print Instructions from BASS - Was 6556050 - A
Выбрано товаров: 0