Качественные детали и логистика
Оригинальные и аналоговые запчасти с доставкой по России, Казахстану и Беларуси
©2022 PartSell ООО "Система" ИНН 2463123282 ОГРН 1212400004838
Центральный офис: г. Красноярск, Академика Киренского, д.87, пом.4
Телефон: 8 (800) 777-65-74 Email: zakaz@partsell.ru
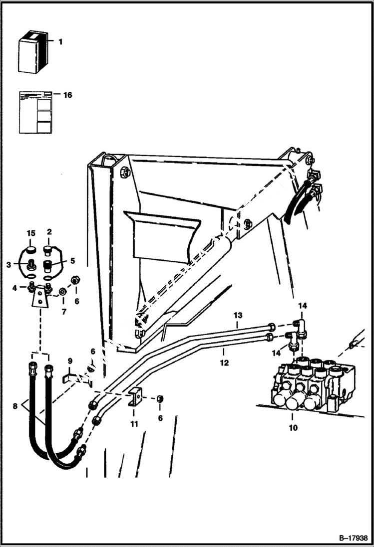
AUXILIARY HYDRAULIC KIT (Rear Unit)
№
Артикул
Название
Примечание
Количество
1
KIT NLA - Rear unit auxiliary - Order Ref. 2-7, 9, 15 & 16
2
6515167
PLUG dust
3
6598755
QUICK COUPLER Male
4
6548223
BRACKET
5
6598756
QUICK COUPLER Female
25K40026
O RING 10
6
81D6
NUT
7
25E17
WASHER 5
8
6546460
HOSE
9
6502773
CLAMP
10
VALVE See Illustration HYDRAULIC CONTROL VALVE/ B12204 HYDRAULIC
11
6541684
12
6544514
TUBE
13
6544513
14
17K7
ELBOW W/O-Ring
79K10
15
6515168
CAP dust
16
INSTRUCTIONS NLA - Print Instructions from BASS - Was 6549586 - A
Выбрано товаров: 0