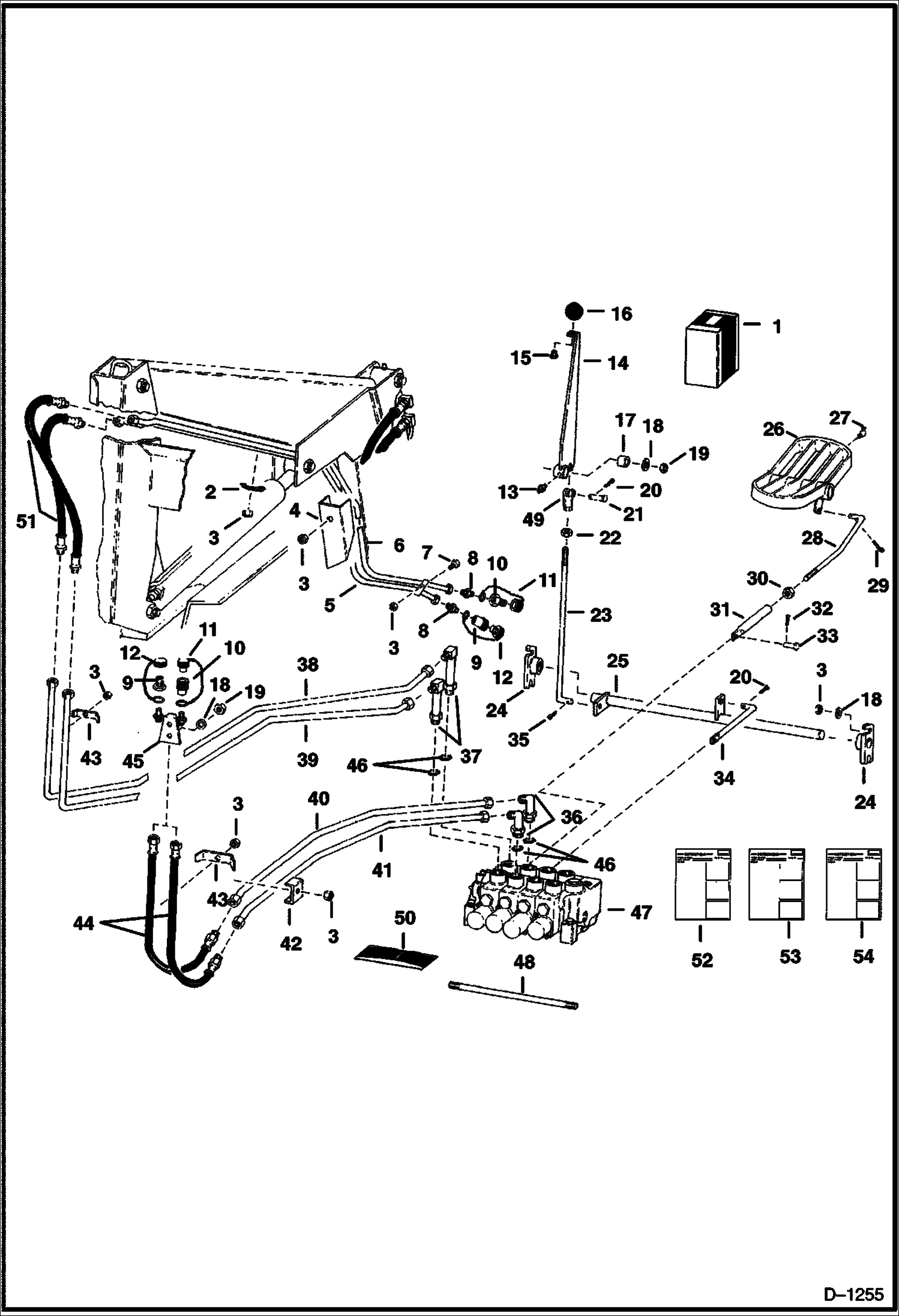
Запчасти Bobcat 700s AUXILIARY HYDRAULICS KIT (Two Unit) ACCESSORIES & OPTIONS

Схема запчастей Bobcat 700s - AUXILIARY HYDRAULICS KIT (Two Unit) ACCESSORIES & OPTIONS
FIT
1:1
100%

Артикул

Название

Примечание

Количество

1

KIT NLA - two unit aux. - Order Ref. 2-25, 27, 32-35, 37-39, 43, 45 & 47-53

1

KIT NLA - two unit aux.-Order Ref. 2-25, 27, 32-35, 37-39, 43, 48, 49, 53 & 54

1

KIT NLA - To change from Rear Aux. to Two Unit Aux. -Order Ref. 3, 9-25, 27, 32-34, 37-39, 43, 45, 47-49, 50 & 53

2

6502203

CLAMP

3

81D6

NUT

4

6546214

SHIELD tube

5

6547171

TUBE Outer

6

6547170

TUBE Inner

7

17C624

BOLT 5

8

89F7

ADAPTOR

9

6598755

QUICK COUPLER Male

10

6598756

QUICK COUPLER Female

10

25K40026

O RING 10

11

6515167

PLUG dust

12

6515168

CAP dust

13

10H35

FITTING, GREASE 10

14

6544582

LEVER

15

18C508

BOLT

16

KNOB NLA - Was 641084 - A

17

6544587

BUSHING

18

25E17

WASHER 5

19

61D6

NUT 5

20

1F416

PIN Was 1F-412 - D

21

2F6106

PIN

22

8D6

NUT 5

23

6544589

ROD pedal connecting

24

6541277

PIVOT

25

6544585

ROD

26

6551165

PEDAL

27

12H25

FITTING

28

6551166

ROD

29

1F416

PIN Was 1F000516B - A

30

8D8

NUT

31

6551167

TUBE

32

1F308

PIN, COTTER

33

1304227

PIN

34

6544588

ROD

35

1F316

PIN

36

17K7

ELBOW W/Ref. 46

37

6519195

ELBOW W/Ref. 46

38

6544515

TUBE Front

39

6544516

TUBE Rear

40

6544513

TUBE Front

41

6544514

TUBE Rear

42

6541684

CLAMP

43

6502773

CLAMP

44

6546460

HOSE

45

6548223

BRACKET

46

79K10

O RING 10

47

SECTION See Illustration AUXILIARY, SECONDARY AUX. & TILT CONTROL SECTION/ B1540 VALVE

48

STUD NLA - Was 5201375 - A

49

6508041

YOKE

50

6511041

SEAL KIT See Illustration AUXILIARY, SECONDARY AUX. & TILT CONTROL SECTION/ B1540

51

6541094

HOSE

52

6549578

INSTRUCTIONS

53

INSTRUCTIONS NLA - Was 6549579 - A

54

INSTRUCTIONS NLA - Print Instructions from BASS - Was 6549586 - A

Выбрано товаров: 57