Качественные детали и логистика
Оригинальные и аналоговые запчасти с доставкой по России, Казахстану и Беларуси
©2022 PartSell ООО "Система" ИНН 2463123282 ОГРН 1212400004838
Центральный офис: г. Красноярск, Академика Киренского, д.87, пом.4
Телефон: 8 (800) 777-65-74 Email: zakaz@partsell.ru
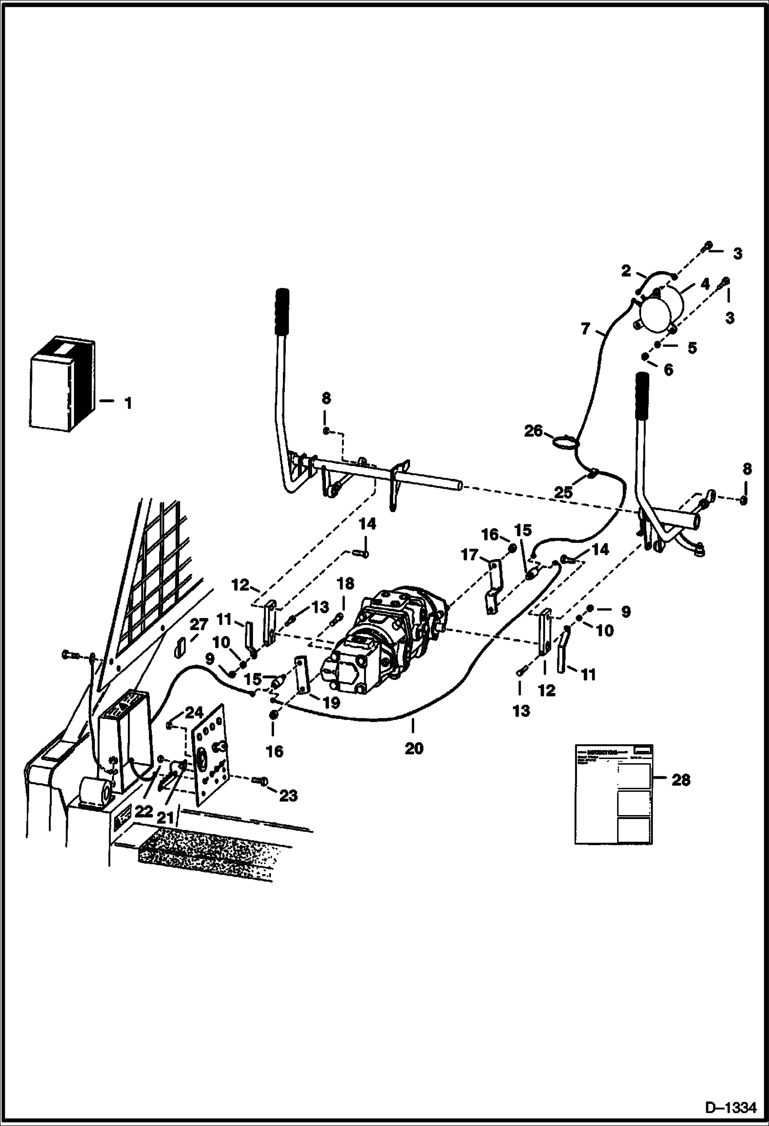
BACK-UP ALARM
№
Артикул
Название
Примечание
Количество
1
KIT NLA - back-up alarm - Order Ref. 3-6, 10, 11, 15-19 & 21-28
2
WIRE NLA - ground - Purchase Locally
3
17C508
BOLT
4
6640795
ALARM Was 6519359 - A
5
25E18
WASHER
6
61D5
NUT
7
WIRE NLA - Purchase Locally
8
81D6
NUT Lock
9
61D4
NUT 5
10
25E14
WSHR
11
6541950
ACTUATOR switch
12
6542875
ARM
13
17C428
14
17C628
15
6632973
SWITCH button - Was 600259B - A
16
61D8
17
6547345
BRACKET switch
18
17C824
BOLT 5
19
6547348
20
WIRE NLA
21
6519746
BREAKER
22
14D10
23
87G1008
SCREW
24
12D10
25
6512375
CLIP
26
6610510
TIE Was 1715312B - A
27
CLIP NLA - Was 6502236 - A
28
6549943
INSTRUCTIONS
Выбрано товаров: 0