Запчасти Bobcat 700s MAIN FRAME MAIN FRAME

Схема запчастей Bobcat 700s - MAIN FRAME MAIN FRAME
FIT
1:1
100%

Артикул

Название

Примечание

Количество

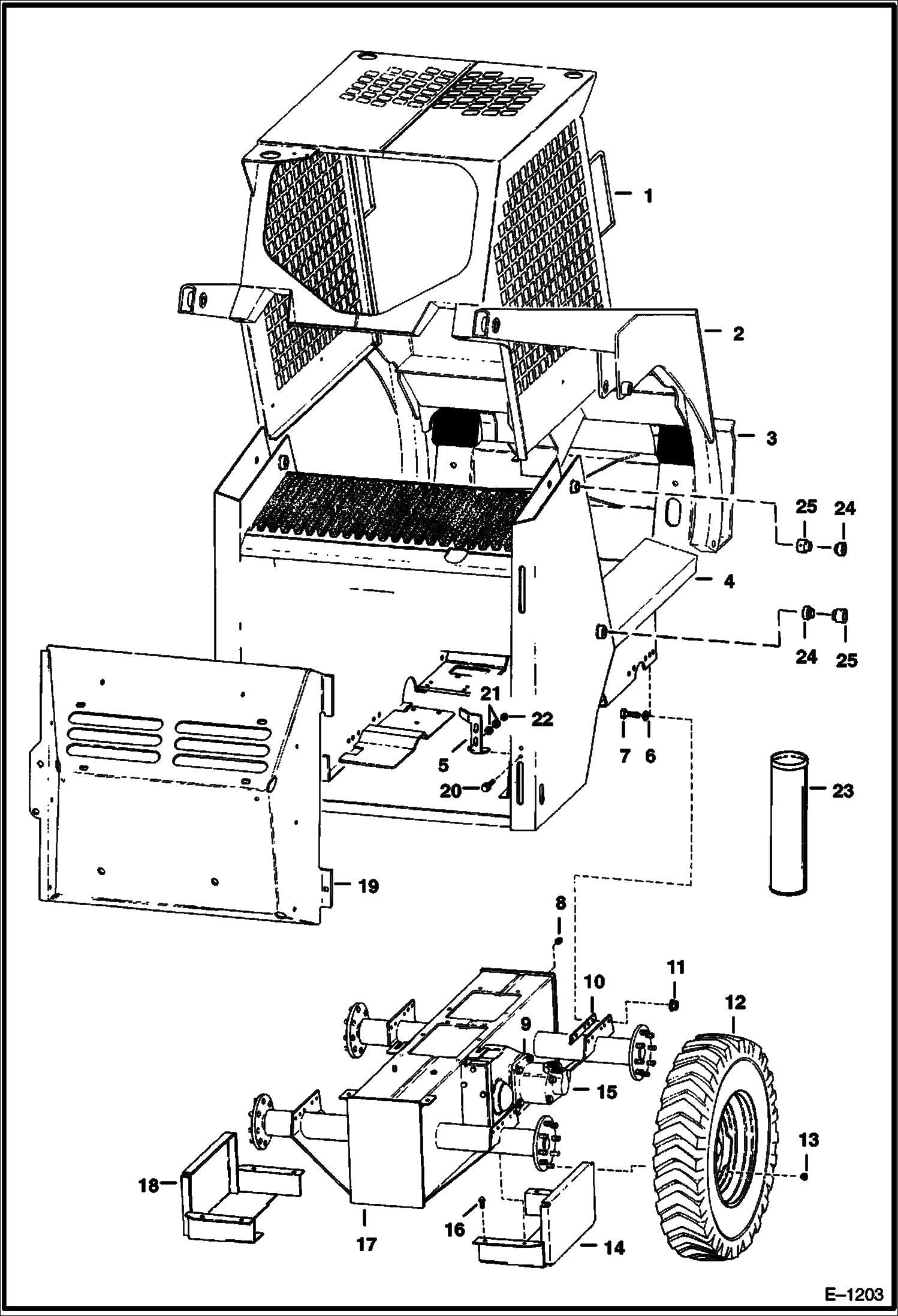
1

CAB See Illustration OPERATOR CAB/ C2771 NLA

2

LIFT ARM See Illustration LIFT ARM & BOBTACH/ E2114

3

BOB-TACH See Illustration BOB-TACH/ C2210

4

MAIN FRAME See BTI163 NLA

4

6565481

MAIN FRAME Also Order Ref. 14 and Ref. 18

5

6558698

DOOR STOP

6

6701097

WASHER Was 6803867 - A

7

17C824

BOLT 5

8

40K12

PLUG

9

6558307

GEARCASE See Illustration GEARCASE/ D1444

10

SHIM NLA - Was 6562736 - A

11

57D8

NUT 10

12

TIRE & RIM See Illustration TIRES & RIMS/ B18088

13

6564669

NUT, 10 wheel - Was 6519169 - A

14

6564919

COVER RH

15

MOTOR See Illustration HYDROSTATIC MOTOR/ D1443

16

84G3712

BOLT 5

17

CHAINCASE See BTI160 NLA

17

CHAINCASE NLA - Order 6565543 Chaincase & (2) of 6560775 Angle - Weld-On

18

6564920

COVER LH - Was 6579698

19

REAR DOOR See Illustration REAR DOOR/ D1567 See Illustration REAR DOOR/ D1426

20

84G3716

SCREW 5

21

755589

WASHER

22

85D6

NUT, 5

23

6632501

SEALANT chaincase cover

24

6555987

BUSHING weld on

25

6555989

BUSHING Weld On

Выбрано товаров: 27