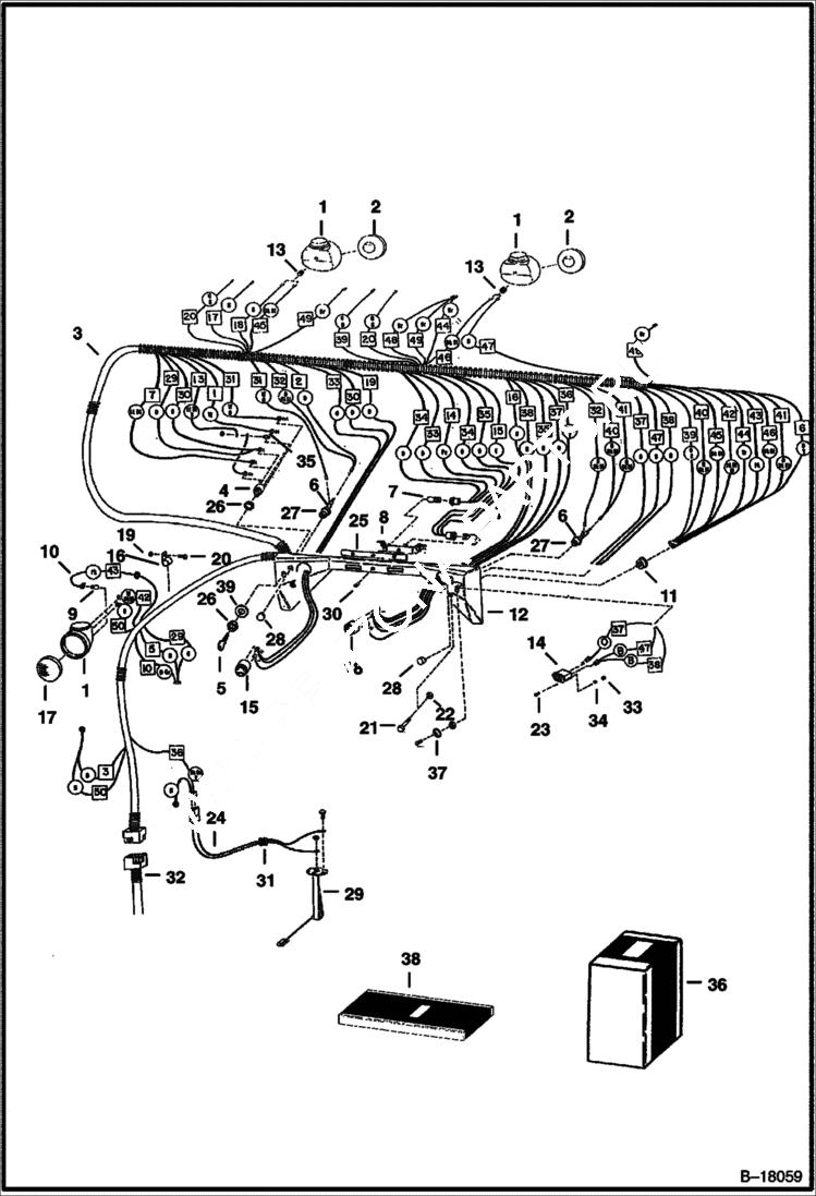
Запчасти Bobcat 700s CAB ELECTRICAL (S/N 12001 & Above) ELECTRICAL SYSTEM

Схема запчастей Bobcat 700s - CAB ELECTRICAL (S/N 12001 & Above) ELECTRICAL SYSTEM
FIT
1:1
100%

Артикул

Название

Примечание

Количество

1

6558142

HOUSING

2

6557486

LAMP

3

6558859

HARNESS

3

6561500

HARNESS

4

6665605

CAP See BTI289 ignition - W/Ref. 26 - Order Ref. 38 - Was 6519592 - A

4

6665606

SWITCH

5

6512809

KEY For NLA/6519592 Switch

5

KEY NLA - for 6665606 switch - includes two keys W/ring - Order 6693241 - Was 6709527 - A

5

6693241

KEY 10 ignition - single key W/O ring

6

6513469

HOLDER

6

1319451

FUSE 5

7

6513468

BULB

8

6558242

BRACKET

9

960855

1003 BULB #1003 - Use only with #4409 lamp

9

898731

1156 BULB #1156 - Use only with #4409X lamp

10

6557504

SOCKET

11

6512808

SWITCH

12

6560182

PANEL

13

6557493

GROMMET

14

6664886

HOURMETER Was 6631657 - A

14

6512807

GAUGE amp.

15

6659912

VOLTMETER Was 6560354

16

30H41

CLIP

17

LAMP NLA - #4409 - Order 6563740 Lamp & 898731B Bulb

17

6563740

LAMP #4409X

18

6560353

FUEL GAUGE

19

61D5

NUT

20

10C512

BOLT Was 6553808 - A

21

17C572

BOLT

22

57D5

NUT Was 6511320 - A

23

85G608

SCREW

24

6560117

WIRE

25

6560699

LENS

26

6598721

NUT For NLA/6519592 Switch

26

6674202

NUT For 6665606 Switch

27

6514643

GASKET

28

6514642

CAP

29

SENDER NLA - fuel - Was 6560169 - A

30

6514742

RIVET

31

6553651

GROMMET

32

HARNESS See Illustration ENGINE ELECTRICAL/ E1264 ENG.

33

12D6

NUT 10

34

12E6

WASHER

35

6512963

DIODE

36

KIT See Illustration WIRE HARNESS CONNECTOR/ A2765 NLA - connector - Was 6563326 - A

37

6599781

KNOB

38

6724282

SWITCH KIT Ref. 4 & 5

39

6709172

PLATE

Выбрано товаров: 48