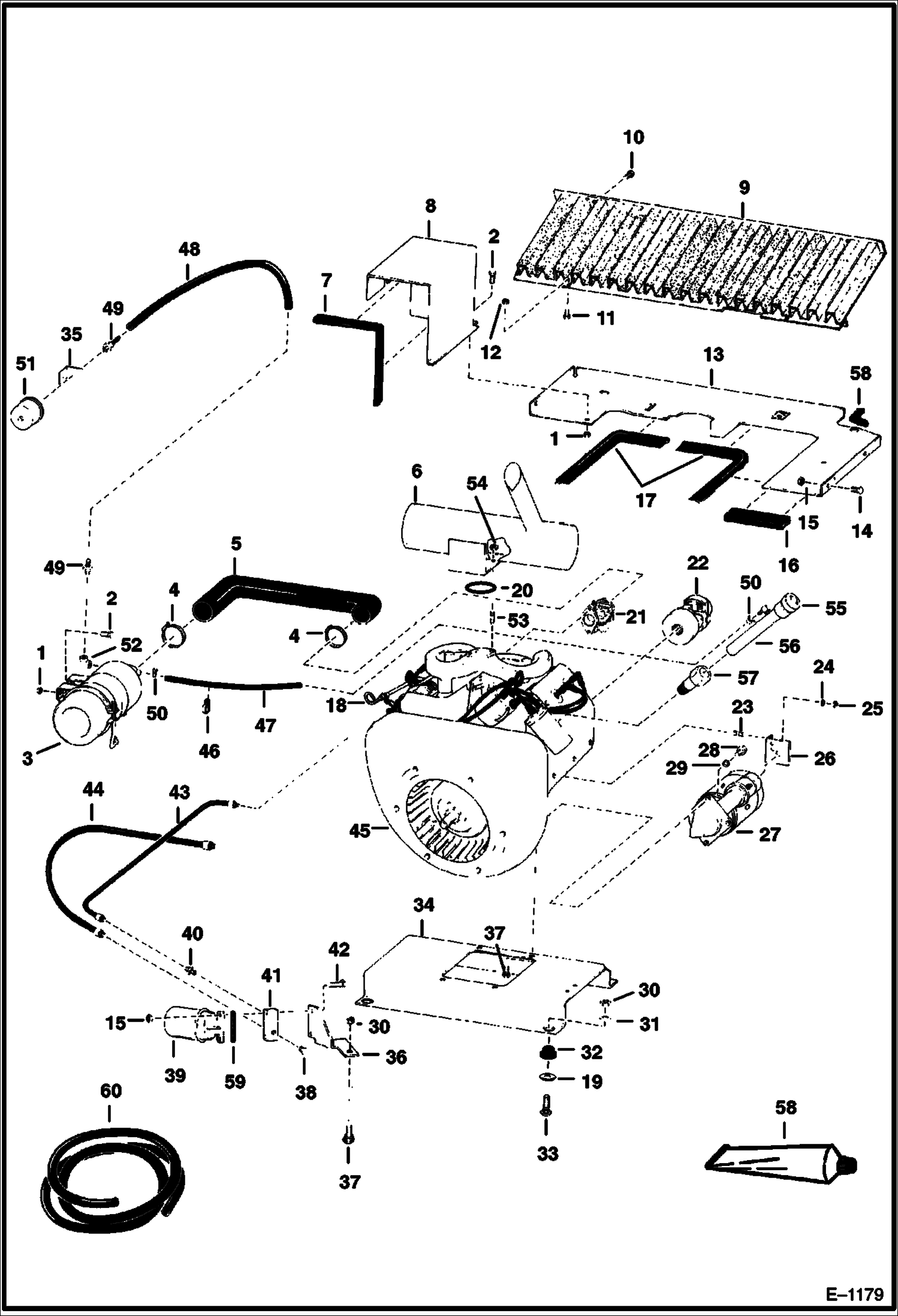
Запчасти Bobcat 700s ENGINE & ATTACHING PARTS (S/N 11999 & Below) POWER UNIT

Схема запчастей Bobcat 700s - ENGINE & ATTACHING PARTS (S/N 11999 & Below) POWER UNIT
FIT
1:1
100%

Артикул

Название

Примечание

Количество

1

91D5

NUT 5 Was 81D000005B - A

2

17C512

BOLT 5

3

AIR CLEANER See Illustration AIR CLEANER/ B18080

4

42H32

HS CLAMP5 Was 6513595 - A

5

6557335

HOSE To replace Ref. 5 order 6560621 Hose and relocate Air Cleaner forward 3'' (76,2mm)

6

6560339

MUFFLER spark arrestor

7

6558199

SEAL

8

SHIELD NLA - Was 6558189 - A

9

6557243

GRILL

10

84G3712

BOLT 5

11

84G3716

SCREW 5

12

57D6

NUT 5

13

SHIELD NLA - Was 6558849 - A

14

10C512

BOLT Was 6553808 - A

15

6512894

NUT

16

6557549

SEAL

17

4126590

MOULDING bulk - sold per foot

18

DIPSTICK See Illustration CRANKCASE & GEAR COVER/ C2298 OIL

19

6557929

WASHER

20

6541299

GASKET

21

CARBURETOR See Illustration FUEL PUMP, CARBURETOR & MANIFOLD/ C2297

22

U-JOINT See Illustration UNIVERSAL JOINT/ B18066

23

6516346

STUD

24

4E5

WASHER

25

61D5

NUT

26

6513187

BRACKET

27

STARTER See Illustration STARTER/ B11257 See Illustration STARTER/ C2294

28

6513186

BOLT

29

4E6

WASHER

30

61D8

NUT 5

31

6515817

WASHER

32

6560633

DAMPENER

33

17C836

BOLT

34

PLATE NLA - Was 6557526 - A

35

BRACKET NLA - Was 6559798 - A

36

6558972

BRACKET

37

6555419

BOLT

38

40K6

PLUG

39

OIL FILTER See Illustration ENGINE OIL FILTER/ B5601

40

89F3

ADAPTOR

41

6557570

BLOCK

42

17C536

BOLT

43

HOSE NLA - Was 6557562 - A

44

HOSE NLA - Wasw 6557563 - A

45

ENGINE See Illustration ENGINE/ B18067 See BTI156 NLA

46

30H35

CLAMP 10

47

NLA - Was 6559796

48

HOSE NLA - 24'' (609,6 mm) long - Order Ref. 60 - Was 6559797 - A

49

6505813

CONNECTOR

50

42H12

CLAMP 10 Was 17H-10 - A

51

1735188

INDICATR

52

24F1

ELBOW

53

STUD NLA - Was 6560105 - A

53

6559713

BOLT

54

6557320

NUT

55

6644880

CAP Was 6513178 - A

55

6515567

CAP

56

6513177

TUBE oil filler

56

6513623

TUBE oil filler

57

6513672

ADAPTER

58

6557949

MOULDING

59

6516514

GASKET

60

6557720

HOSE bulk - Sold Per Foot

Выбрано товаров: 63