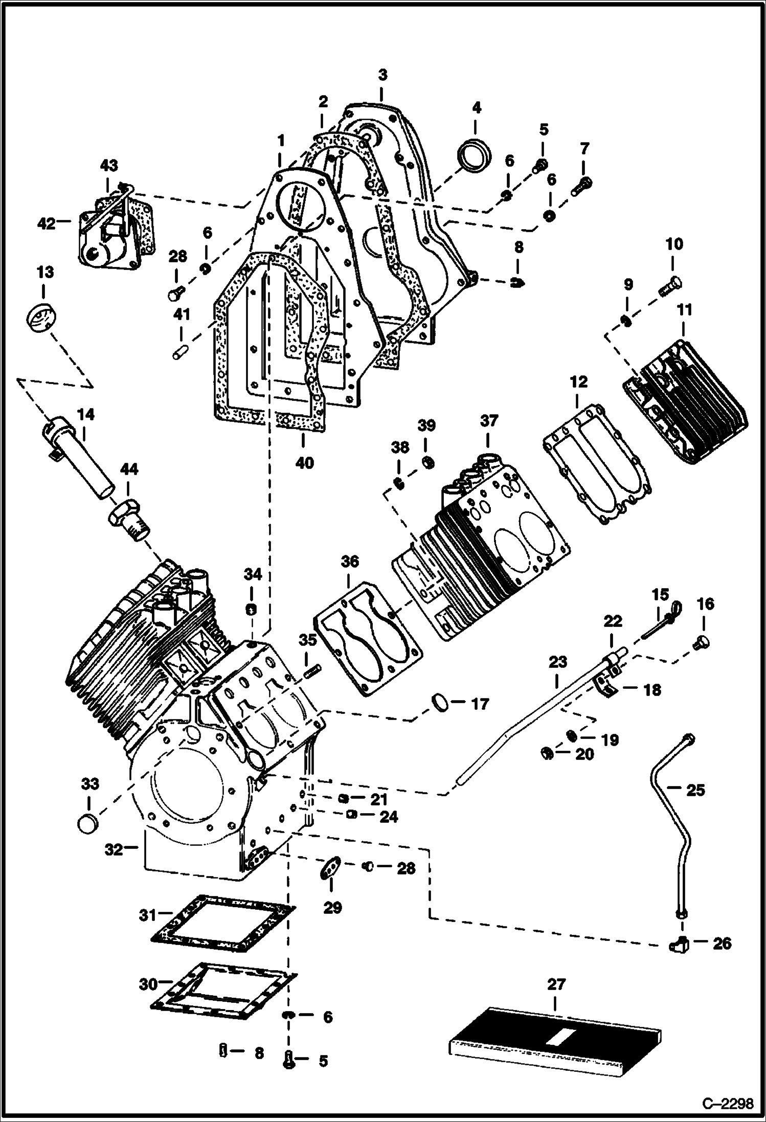
Запчасти Bobcat 700s CRANKCASE & GEAR COVER POWER UNIT

Схема запчастей Bobcat 700s - CRANKCASE & GEAR COVER POWER UNIT
FIT
1:1
100%

Артикул

Название

Примечание

Количество

1

6513174

SPACER

2

6513189

GASKET

3

6513172

COVER

4

6516526

SEAL oil

5

17C510

BOLT

6

4E5

WASHER

7

17C520

BOLT 5

8

40K6

PLUG

9

25E15

WASHER

10

6516436

BOLT

10

17C520

BOLT 5

11

6516433

HEAD, CYL ENG cylinder

12

6516434

GASKET head

13

6644880

CAP oil filler - Was 6513178 - A

13

6515567

CAP oil filler

14

6513177

TUBE oil filler

14

6513623

TUBE oil filler

15

DIPSTICK NLA - Was 6513392 - A

16

17C412

BOLT 5

17

6513176

PLUG

18

6513180

BRACKET

19

4E4

WASHER

20

61D4

NUT 5

21

6516446

SET SCREW

22

6513179

CLIP

23

TUBE NLA - dipstick - Was 6513372 - A

24

16F2

PLUG

25

6513394

TUBE To Governor

26

42F3

FTG

27

6560368

KIT See Illustration ENGINE/ B18067 GASKET OVERHAUL

28

17C512

BOLT 5

29

6516513

ADAPTER

30

6513163

PLATE

31

6516444

GASKET

32

CRANKCASE NLA - Was 6513175 - A

33

6516441

PLUG

34

6516435

PLUG

35

6510868

STUD

36

6516437

GASKET

37

6516497

BLOCK See Illustration CYLINDER & VALVES/ C1570 cylinder

38

4E7

WASHER

39

62D7

NUT

40

GASKET NLA - Was 6510824

41

6516532

PIN

42

6513165

GOVERNOR See Illustration GOVERNOR CONTROL ASSEMBLY/ C2295

43

6516617

GASKET

44

6513672

ADAPTER

Выбрано товаров: 47