Запчасти Bobcat 700s CARBURETOR (S/N 12001 & Above) POWER UNIT

Схема запчастей Bobcat 700s - CARBURETOR (S/N 12001 & Above) POWER UNIT
FIT
1:1
100%

Артикул

Название

Примечание

Количество

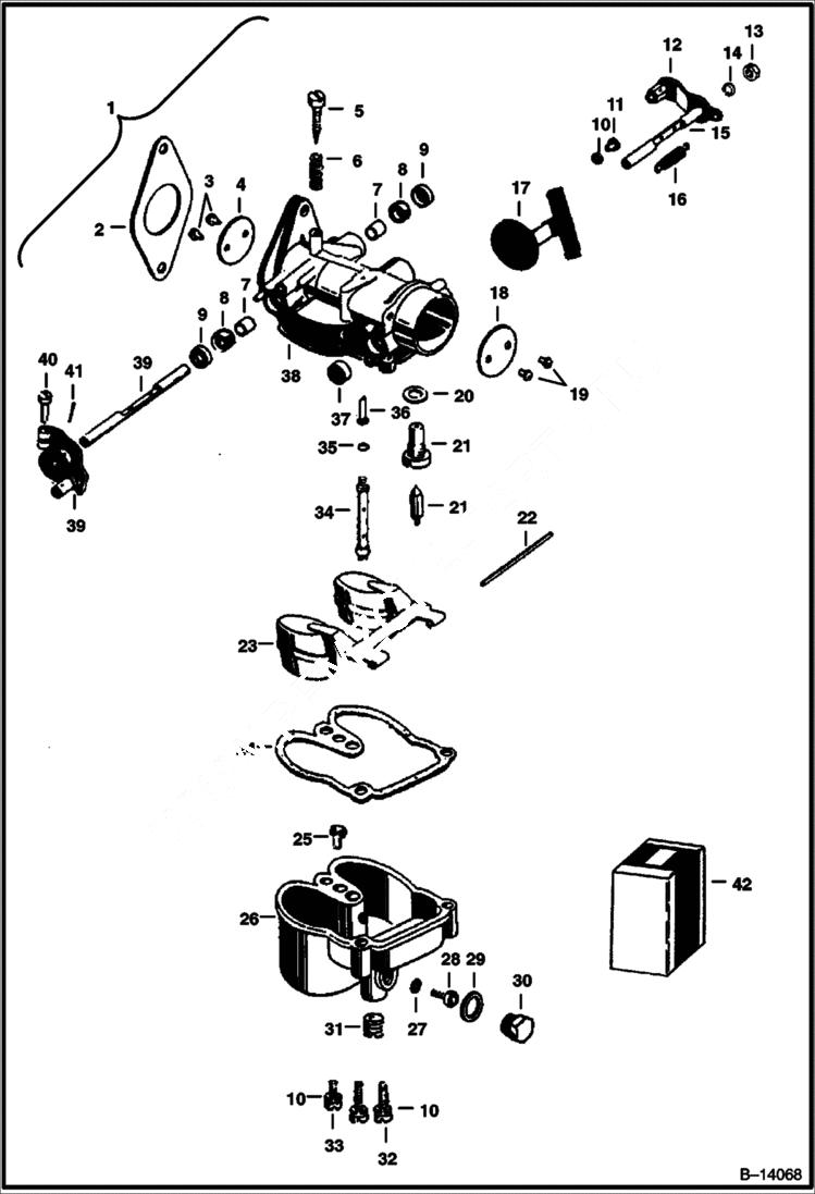
1

CARBURETOR NLA - Was 6514862 - A

2

6513188

GASKET

3

SCREW NSS

4

6599344

PLATE

5

NEEDLE NSS

6

6516749

SPRING

7

884430

BUSHING

8

SEAL NSS

9

RETAINER NSS

10

17E8

WASHER

11

BOLT NLA - Was 871564B - A

12

LEVER NLA - Was 6599352 - A

13

14D8

NUT

14

17E10

WASHER

15

6599351

SHAFT

16

SPRING NLA - Was 6599362 - A

17

882499

BRACKET

18

6599350

PLATE

19

SCREW NSS

20

WASHER NSS - fiber

21

VALVE NSS - W/Seat

22

AXLE NSS - float

23

6599349

FLOAT

24

GASKET NSS

25

6599346

JET idle

26

BOWL NSS - Was 6599343 - A

27

WASHER NSS - fiber

28

858502

JET main

29

WASHER NSS - fiber

30

PLUG NLA - Was 852279 - A

31

16F2

PLUG

32

SCREW NLA - Was 42G000814B - A

33

SCREW NLA - Was 42G000809B - A

34

6599348

WELL

35

WASHER NSS - fiber

36

JET NLA - discharge - Was 6599347 - A

37

PLUG NSS

38

BODY NSS

39

SHAFT NSS - W/lever assy. - W/Ref. 40 & 41 - Was 6599345 - A

40

SCREW NSS

41

ROLL PIN NSS

42

6513448

KIT Ref. 20, 24, 27, 29 & 35

42

6513449

KIT Ref. 2, 3, 5, 8, 9, 19 - 22, 24, 27, 29, 35 & 37

Выбрано товаров: 0