Качественные детали и логистика
Оригинальные и аналоговые запчасти с доставкой по России, Казахстану и Беларуси
©2022 PartSell ООО "Система" ИНН 2463123282 ОГРН 1212400004838
Центральный офис: г. Красноярск, Академика Киренского, д.87, пом.4
Телефон: 8 (800) 777-65-74 Email: zakaz@partsell.ru
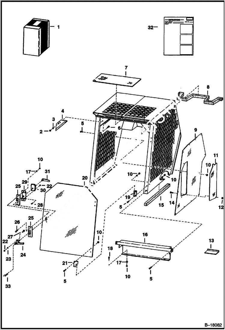
CAB ENCLOSURE
№
Артикул
Название
Примечание
Количество
1
6555917
KIT cab enclosure - Ref. 2 - 32
2
61D6
NUT 5
3
25E18
WASHER
4
6555434
CHANNEL
5
10C512
BOLT carriage - Was 6553808 - A
6
17C612
BOLT 5
7
WINDOW NLA - top - Was 6555109 - A
8
STRIP NLA - foam
9
6565755
WINDOW side - Was 6563390 - A
10
85D5
11
6555108
DOOR
12
CLAMP NLA - Was 6555869 - A
13
6555686
PLATE
14
14G1008
SCREW
15
16
6555060
PANEL
17
25E15
18
17C512
19
6555055
HINGE
20
6555062
21
6555057
22
12D10
NUT
23
25E10
24
1550695
HANDLE outside - W/Key
25
6555054
26
17C516
BOLT
27
75G1016
28
45G1008
29
6555059
BRACKET
30
6598475
DOOR LATCH door
31
6515600
HANDLE
32
INSTRUCTIONS NLA - Print Instructions from BASS - Was 6556078 - A
33
6665409
KEY
Выбрано товаров: 0