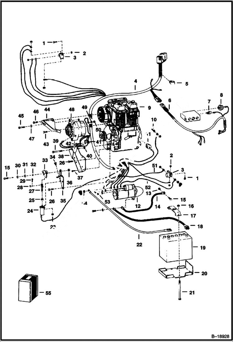
Запчасти Bobcat 700s ENGINE ELECTRICAL (S/N 5006 M 14001 & Above) ELECTRICAL SYSTEM

Схема запчастей Bobcat 700s - ENGINE ELECTRICAL (S/N 5006 M 14001 & Above) ELECTRICAL SYSTEM
FIT
1:1
100%

Артикул

Название

Примечание

Количество

1

17C408

BOLT

2

83D4

NUT 10

3

6659319

SOLENOID Was 6632186 - A

4

6563725

HARNESS engine

5

30H46

CLIP

6

6557447

HARNESS chassis

7

6598384

SWITCH hydro. temp.

8

6557449

SWITCH hydro. pressure

9

ENGINE See Illustration ENGINE & GASKET KITS/ B2249

10

6511720

PRE-HEATER

11

6513890

SWITCH engine oil pressure

12

STARTER See Illustration STARTER/ C2378

13

61D5

NUT

14

6563025

CABLE ground

15

17C512

BOLT 5

16

59D5

NUT 5 Was 17D000002B - A

17

BRACKET NLA - Ref. 19 - Order 6563462 Clamp & (2) of 6569623 Bolt - Was 6561734 - A

18

6553094

CABLE ground - Was 6562905 - A

19

6665032

BATTERY, DRY 700 AMP Was 6665031 - A

19

6630153

BATTERY CAP battery

20

6561733

MOUNT

21

BOLT NLA - Order 6569203, clamp & 6569623, bolt - Was 6562473 - A

22

6562904

CABLE Positive

23

85D4

NUT 5

24

6599638

SOLENOID

25

62D4

NUT

26

1CM820

BOLT Was 4CM820 - A

27

631551

YOKE

28

4F4051

PIN

29

1F212

PIN

30

25E15

WASHER

31

6512913

WASHER

32

6559845

BUSHING

33

6561078

LEVER

34

93G410

BOLT

35

6561055

MOUNT

36

85D5

NUT 5

37

1CM670

BOLT

38

6559844

BRACKET

39

17C864

BOLT

40

81D6

NUT

41

30H47

CLIP

42

4DM10

NUT

43

1CM860

BOLT

44

6563145

BRACKET

45

29CM825

BOLT

46

17C628

BOLT

47

25E16

WSHR

48

ALTERNATOR See Illustration ALTERNATOR/ B18108

49

6E4

WASHER 10

50

1DM6

NUT Was 4DM6 - A

51

6562902

WIRE

52

6562903

WIRE

53

12D8

NUT

54

7D6

NUT

55

KIT See Illustration WIRE HARNESS CONNECTOR/ A2765 NLA - connector - Was 6563326 - A

Выбрано товаров: 56