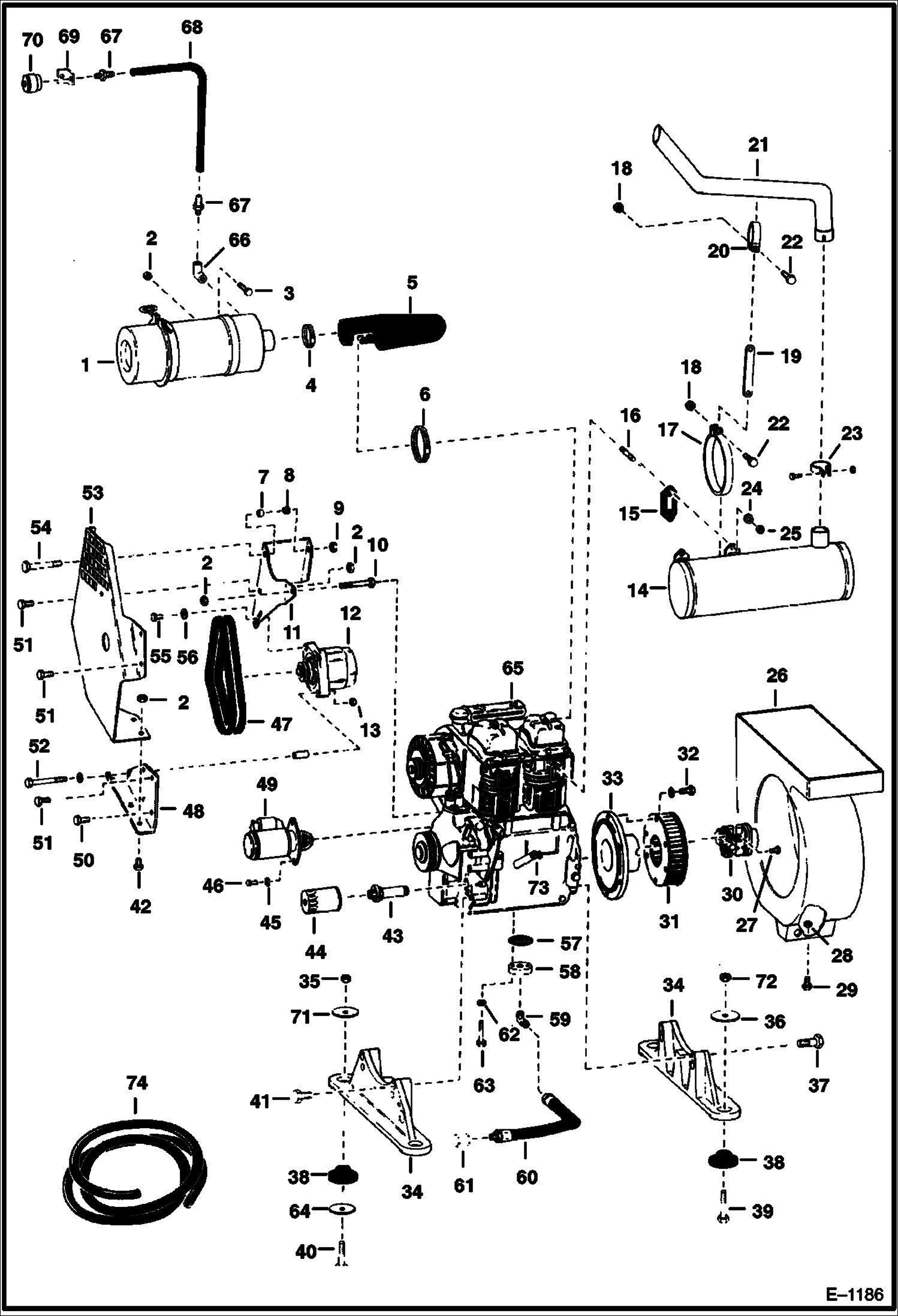
Запчасти Bobcat 700s ENGINE & ATTACHING PARTS (Deutz 411) POWER UNIT

Схема запчастей Bobcat 700s - ENGINE & ATTACHING PARTS (Deutz 411) POWER UNIT
FIT
1:1
100%

Артикул

Название

Примечание

Количество

1

AIR CLEANER See Illustration AIR CLEANER/ B18080

2

6512894

NUT

3

17C512

BOLT 5

4

42H32

HS CLAMP5 Was 6513595 - A

5

6558152

HOSE

6

44H48

CLAMP Was 6515576 - A

7

SHIM NLA - Was 6558574 - A

8

ADAPTER NLA - Was 6558536 - A

9

61D5

NUT

10

4CM850

BOLT

11

BRACKET NLA - Was 6558560 - A

12

ALTERNATOR See Illustration ALTERNATOR/ B18108

13

81D6

NUT

14

MUFFLER NLA - Was 6558151 - A

15

4110763

GASKET

16

6515928

BOLT

17

1632632

CLAMP

18

85D5

NUT 5

19

STRAP NLA - Was 6559186 - A

20

6557321

CLAMP

21

6558153

PIPE NLA - exhaust - Was 6558153 - A

22

17C524

BOLT

23

6677363

CLAMP, FULL CIRCLE Was 657904B - A

24

1EM80

WASHER

25

3725269

NUT

26

6558319

HOUSING

27

94G512

BOLTS 5

28

6512897

NUT

29

84G3712

BOLT 5

30

U-JOINT See Illustration UNIVERSAL JOINT/ B17937

31

FAN NLA - Was 6558638 - A

32

1CM825

BOLT Was 4CM825 - A

33

ADAPTER NLA - Was 6558340 - A

34

MOUNT NLA - motor

34

6559747

MOUNT engine

34

6559746

MOUNT rear

34

KIT NLA - throttle - Was 6562178 - A

35

85D8

NUT, 5

36

WASHER NLA - Was 6558205 - A

37

4CM1255

SCREW

38

6513606

MOUNT Was 6514897 - A

39

17C1048

BOLT

40

17C848

BOLT

41

4CM1460

BOLT

42

6555533

BOLT

43

ADAPTER NLA - filter - Was 6511792 - A

44

6511793

ELEMENT

45

6EM120

WASHER

46

4CM1228

BOLT

47

BELT NLA - Was 6558135 - A

48

BRACKET NLA - Was 6559851 - A

49

STARTER See Illustration STARTER/ C2378

50

1CM670

BOLT

51

1CM820

BOLT Was 4CM820 - A

52

17C644

BOLT

53

COVER NLA - Was 6558933 - A

54

17C580

BOLT

55

35C516

BOLT 10 Was 6554744 - A

55

29CM825

BOLT

56

25E16

WSHR

57

6550746

GASKET

58

6550745

FLANGE

59

83F6

ELBOW

60

6553244

HOSE

61

36K6

CAP

62

6EM60

WASHER, SPRING

63

1CM620

BOLT Was 4CM620 - A

64

6557929

WASHER

65

ENGINE See Illustration ENGINE & GASKET KITS/ B2249 DEUTZ 411

66

24F1

ELBOW

67

6505813

CONNECTOR

68

HOSE NLA - 24'' (609,6 mm) long - Order Ref. 74 - Was 6559797 - A

69

BRACKET NLA - Was 6559798 - A

70

1735188

INDICATR

71

WASHER NLA - Was 6559831 - A

72

57D8

NUT 10

73

6516007

DIPSTICK oil

73

6515986

O-RING dipstick

74

6557720

HOSE bulk - Sold Per Foot

Выбрано товаров: 79