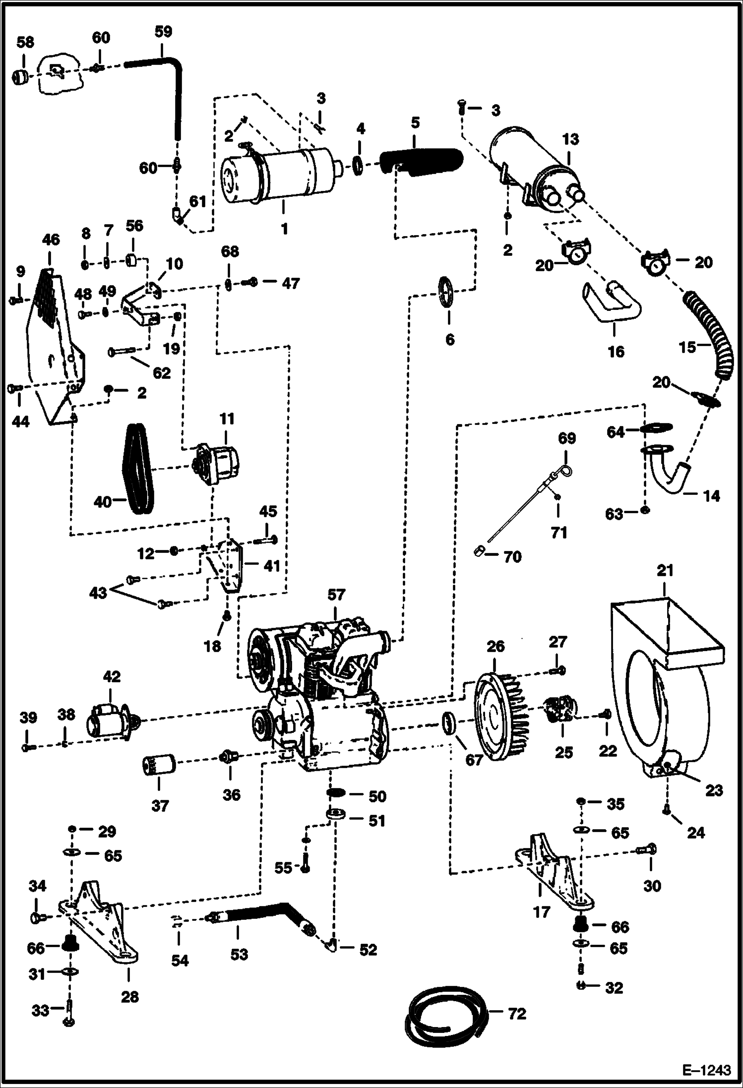
Запчасти Bobcat 700s ENGINE & ATTACHING PARTS (Deutz 511) (S/N 13999 & Below) POWER UNIT

Схема запчастей Bobcat 700s - ENGINE & ATTACHING PARTS (Deutz 511) (S/N 13999 & Below) POWER UNIT
FIT
1:1
100%

Артикул

Название

Примечание

Количество

1

AIR CLEANER See Illustration AIR CLEANER/ B17820 See Illustration AIR CLEANER/ B17728

2

6512894

NUT

3

17C512

BOLT 5

4

42H32

HS CLAMP5 Was 6513595 - A

5

HOSE NLA - Was 6563169 - A

6

44H48

CLAMP Was 6515576 - A

7

619021

WASHER, 5

8

85D6

NUT, 5

9

1CM830

BOLT

10

6563145

BRACKET

11

ALTERNATOR See Illustration ALTERNATOR/ B18108

12

81D6

NUT

13

6559753

MUFFLER spark arrestor

14

PIPE NLA - Was 6559749 - A

15

PIPE NLA - Was 6559752 - A

16

6559754

PIPE

17

6559747

MOUNT engine

18

6555533

BOLT

19

61D5

NUT

20

6677363

CLAMP, FULL CIRCLE Was 657904B - A

21

6558319

HOUSING

22

94G512

BOLTS 5

23

6512897

NUT

24

84G3712

BOLT 5

25

U-JOINT See Illustration UNIVERSAL JOINT/ B17937

26

FAN NLA - Was 6559755 - A

27

1CM825

BOLT Was 4CM825 - A

28

6559746

MOUNT motor

29

57D8

NUT 10

30

4CM1255

SCREW

31

6557929

WASHER

32

17C1052

BOLT

33

17C852

BOLT 5

34

4CM1460

BOLT

35

85D8

NUT, 5

36

6513892

ADAPTER

37

6511793

ELEMENT

38

6EM120

WASHER

39

4CM1228

BOLT

40

6559848

BELT Set of (2)

41

6559844

BRACKET

42

STARTER See Illustration STARTER/ C2378

43

1CM670

BOLT

44

1CM820

BOLT Was 4CM820 - A

45

17C644

BOLT

46

6565167

SHIELD Was 6559842 - A

47

17C628

BOLT

48

35C516

BOLT 10 Was 6554744 - A

48

29CM825

BOLT

49

25E16

WSHR

50

6550746

GASKET

51

6550745

FLANGE

52

83F6

ELBOW

53

6553244

HOSE

54

36K6

CAP

55

1CM620

BOLT Was 4CM620 - A

56

6560846

BUSHING

57

ENGINE See Illustration ENGINE & GASKET KITS/ B18132

58

6515007

GAUGE

59

HOSE NLA - 24'' (609,6 mm) long - Order Ref. 72 - Was 6559797 - A

60

6505813

CONNECTOR

61

24F1

ELBOW

62

1CM860

BOLT

63

1DM10

NUT

64

6561143

GASKET

65

WASHER NLA - Was 6559831 - A

66

6513606

MOUNT Was 6514897 - A

67

6558410

PLUG

68

25E17

WASHER 5

69

6516007

DIPSTICK oil

70

6515971

DOWEL dipstick

71

6515986

O-RING

72

6557720

HOSE bulk - Sold Per Foot

Выбрано товаров: 73