Запчасти Bobcat 700s ENGINE & ATTACHING PARTS (Deutz 511) (S/N 14001 & Above) POWER UNIT

Схема запчастей Bobcat 700s - ENGINE & ATTACHING PARTS (Deutz 511) (S/N 14001 & Above) POWER UNIT
FIT
1:1
100%

Артикул

Название

Примечание

Количество

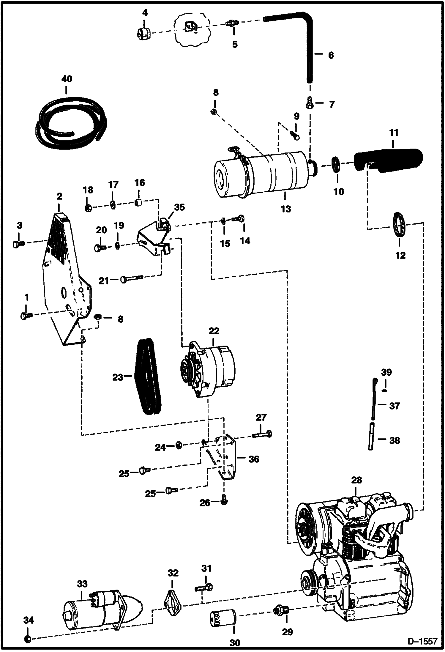
1

1CM820

BOLT Was 4CM820 - A

2

6565167

SHIELD

3

1CM830

BOLT

4

6515007

GAUGE

5

6505813

CONNECTOR

6

HOSE NLA - 24'' (609,6 mm) long - Order Ref. 40 - Was 6559797 - A

7

24F1

ELBOW

8

57D5

NUT

9

17C512

BOLT 5

10

42H32

HS CLAMP5 Was 6513595 - A

11

HOSE NLA - Was 6563169 - A

12

44H48

CLAMP Was 6515576 - A

13

AIR CLEANER See Illustration AIR CLEANER/ B17728

14

17C628

BOLT

15

25E17

WASHER 5

16

6560846

BUSHING

17

619021

WASHER, 5

18

85D6

NUT, 5

19

25E16

WSHR

20

29CM825

BOLT

21

1CM860

BOLT

22

ALTERNATOR See Illustration ALTERNATOR/ B18108

23

6559848

BELT alternator - set of (2)

24

81D6

NUT

25

1CM670

BOLT

26

35C512

BOLT Was 31C000512B - A

27

17C644

BOLT

28

ENGINE See Illustration ENGINE & GASKET KITS/ B18132

29

6513892

ADAPTER

30

6511793

ELEMENT

31

17C636

BOLT

32

6562264

BLOCK Was 6562262 - A

33

STARTER See Illustration STARTER/ C2378

34

61D6

NUT 5

35

6563145

BRACKET

36

6559844

BRACKET

37

6632216

DIPSTICK oil

38

6598759

BUSHING dipstick

39

6515986

O-RING

40

6557720

HOSE bulk - Sold Per Foot

Выбрано товаров: 40