Запчасти Bobcat 700s MAIN FRAME MAIN FRAME

Схема запчастей Bobcat 700s - MAIN FRAME MAIN FRAME
FIT
1:1
100%

Артикул

Название

Примечание

Количество

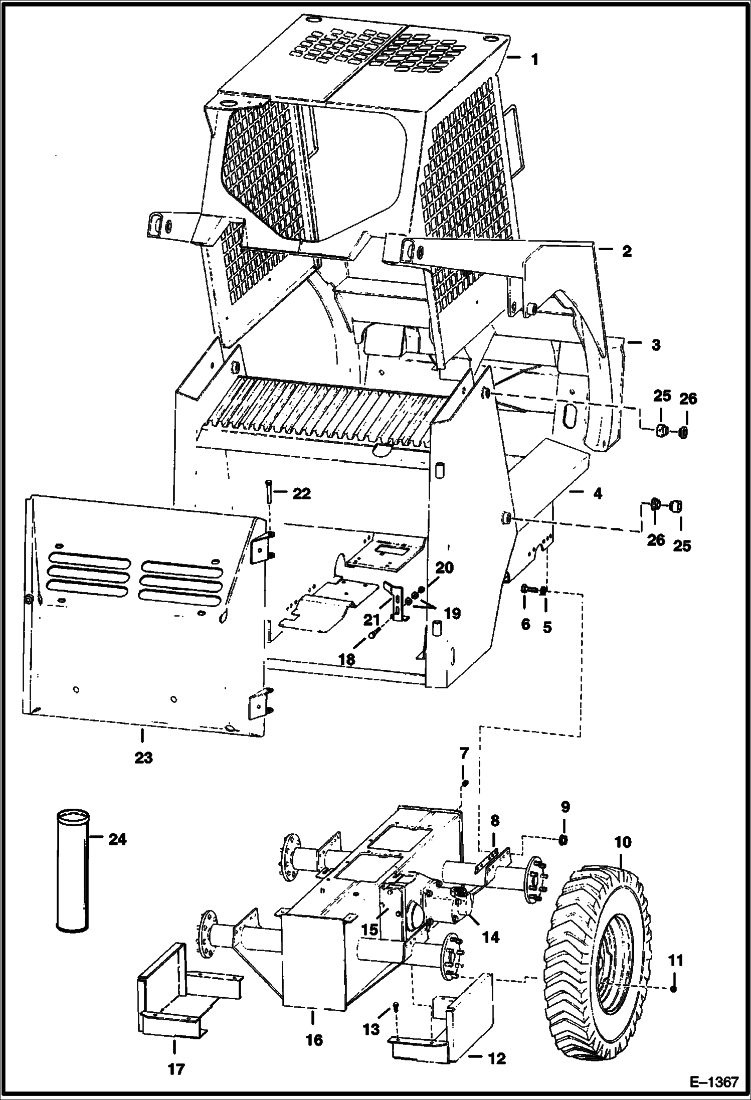
1

CAB See Illustration OPERATOR CAB/ C2771

2

LIFT ARM See Illustration LIFT ARM & BOB-TACH/ D1380

3

BOB-TACH See Illustration BOB-TACH/ C2210

4

MAIN FRAME See BTI163 NLA

4

6565481

MAIN FRAME Also Order Ref. 12 & 17

5

6701097

WASHER Was 6803867 - A

6

17C824

BOLT 5

7

40K12

PLUG

8

SHIM NLA - Was 6562736 - A

9

57D8

NUT 10

10

TIRE & RIM See Illustration TIRES & RIMS/ TS1086

11

6564669

NUT, 10 wheel - Was 6519169 - A

12

6564919

COVER RH

13

84G3712

BOLT 5

14

MOTOR See Illustration GEARCASE/ D1444

15

6558307

GEARCASE See Illustration HYDROSTATIC MOTOR/ D1443

16

CHAINCASE See BTI160 NLA

16

CHAINCASE NLA - Order 6565543 Chaincase & (2) of 6560775 Angle - Weld-On

17

6564920

COVER LH - Was 6579698

18

84G3716

SCREW 5

19

755589

WASHER

20

85D6

NUT, 5

21

6558698

DOOR STOP

22

6564340

PIN

23

REAR DOOR See Illustration REAR DOOR/ B18092 See BTI166 See BTI191

24

6632501

SEALANT chaincase cover

25

6555987

BUSHING weld on

26

6555989

BUSHING Weld On

Выбрано товаров: 28